EasyManua.ls Logo

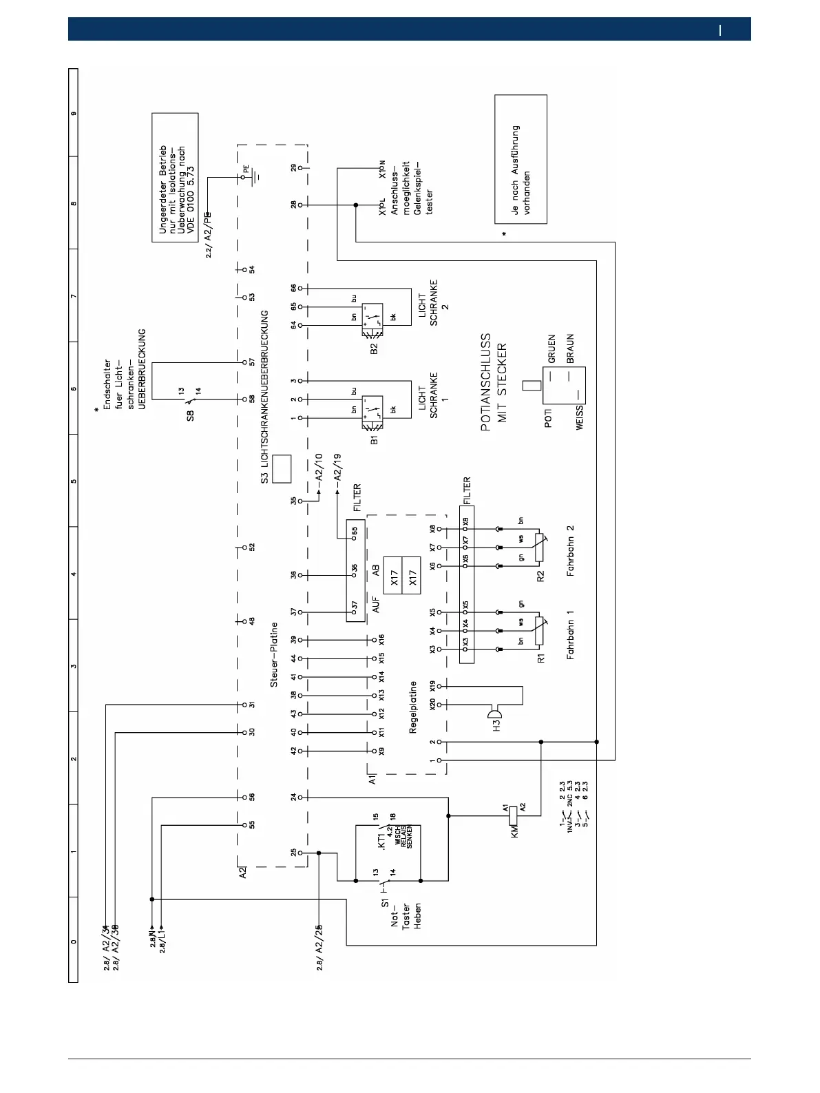
Bosch VLS 5140 - Symbols Used; In the Documentation; On the Product; Circuit Diagram 2: Circuit Board and Control Board

Bosch VLS 5140
Print Icon
To Next Page IconTo Next Page
To Next Page IconTo Next Page
To Previous Page IconTo Previous Page
To Previous Page IconTo Previous Page
Loading...
1 689 978 572 2014-06-06| Robert Bosch GmbH
Circuit Diagrams | VLS 5140 | 67 en
Fig. 40: Circuit diagram 2b (with wheel-free scissor lift)

Table of Contents

Related product manuals