EasyManua.ls Logo

Bosch VLS 5140 - 9 Sistema Idraulico; Piattaforme DI Sollevamento Senza Sollevatore Libera Ruote; Piattaforme DI Sollevamento con Sollevatore Libera Ruote; Abbassamento DI Emergenza

Bosch VLS 5140
Print Icon
To Next Page IconTo Next Page
To Next Page IconTo Next Page
To Previous Page IconTo Previous Page
To Previous Page IconTo Previous Page
Loading...
1 689 978 572 2014-06-06| Robert Bosch GmbH
166 | VLS 5140 | Sistema idraulicoit
9. Sistema idraulico
9.1 Piattaforme di sollevamento senza
sollevatore libera ruote
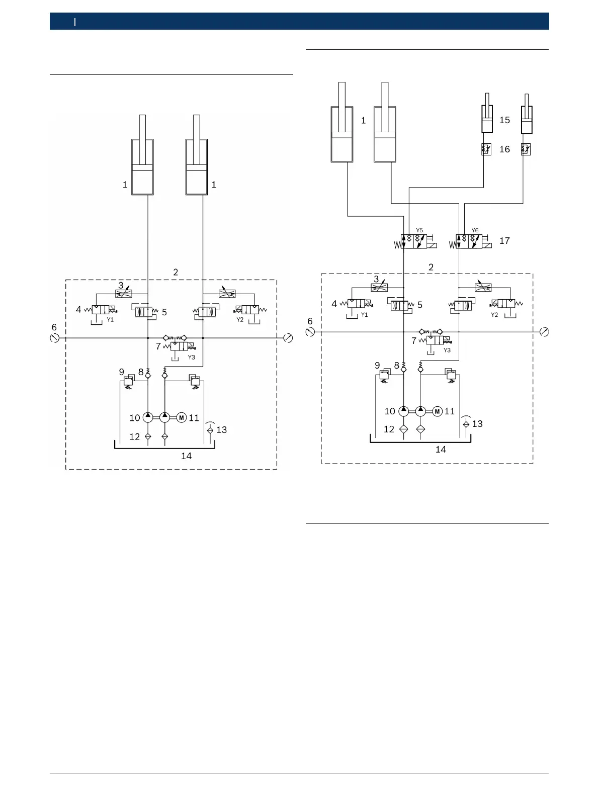
Fig. 36: Schema idraulico
1 Cilindro idraulico per la guida di accesso
2 Gruppo idraulico (collegamenti G1/2")
3 Farfalla svasata
4 Valvola di bypass (valvola a sede a 2/2 vie, 24 V CA, 20 l/min)
5 Valvola di regolazione corrente (regolata su 6 l/min)
6 Collegamento per la misurazione pressione (G1/4")
7 Valvola di abbassamento
(valvola a sede a 2/2 vie, 24 V CA, 20 l/min)
8 Valvola di non ritorno
9 Valvola di limitazione pressione (regolata su 360 bar)
10 Pompa a ingranaggi doppia (330 bar, 5 l/min)
11 Motorino elettrico (5,5 kW, 3000 U/min)
12 Filtro di aspirazione
13 Coperchio di sfiato per rifornimento
14 Serbatoio dell'olio (volume utilizzabile del serbatoio 12 l)
9.2 Piattaforme di sollevamento con
sollevatore libera ruote
Fig. 37: Schema idraulico (con sollevatore libera ruote)
15 Cilindro idraulico per il sollevatore libera ruote
16 Valvola di non ritorno a farfalla
17 Valvola di commutazione guida di accesso/sollevatore libera
ruote (valvola a 3/2 vie)
9.3 Abbassamento di emergenza
In caso di interruzione di corrente è possibile abbassare
un veicolo sollevato con un abbassamento di emer genza.
! Un abbassamento di emergenza può essere effet-
tuato solo da personale appositamente istruito.
1. Chiedere l'intervento di una seconda persona per la
sorveglianza.
2. Bloccare il nottolino di abbassamento in modo che
non si possa agganciare nella dentatura durante il
processo di abbassamento.
3. Svitare la lamiera frontale dell'unità di comando.
4. Assicurarsi che non siano presenti persone, né
oggetti nell’area di pericolo.
5. Con cautela aprire la manopola sulla valvola di
abbassamento Y3.
La piattaforma di sollevamento si abbassa.
6. Chiudere la manopola sulla valvola di abbassamento
Y3 dopo il processo di abbassamento.

Table of Contents

Related product manuals