EasyManua.ls Logo

Bosch VLS 5140 - Page 33

Bosch VLS 5140
Print Icon
To Next Page IconTo Next Page
To Next Page IconTo Next Page
To Previous Page IconTo Previous Page
To Previous Page IconTo Previous Page
Loading...
1 689 978 572 2014-06-06| Robert Bosch GmbH
Stromlaufpläne | VLS 5140 | 33 de
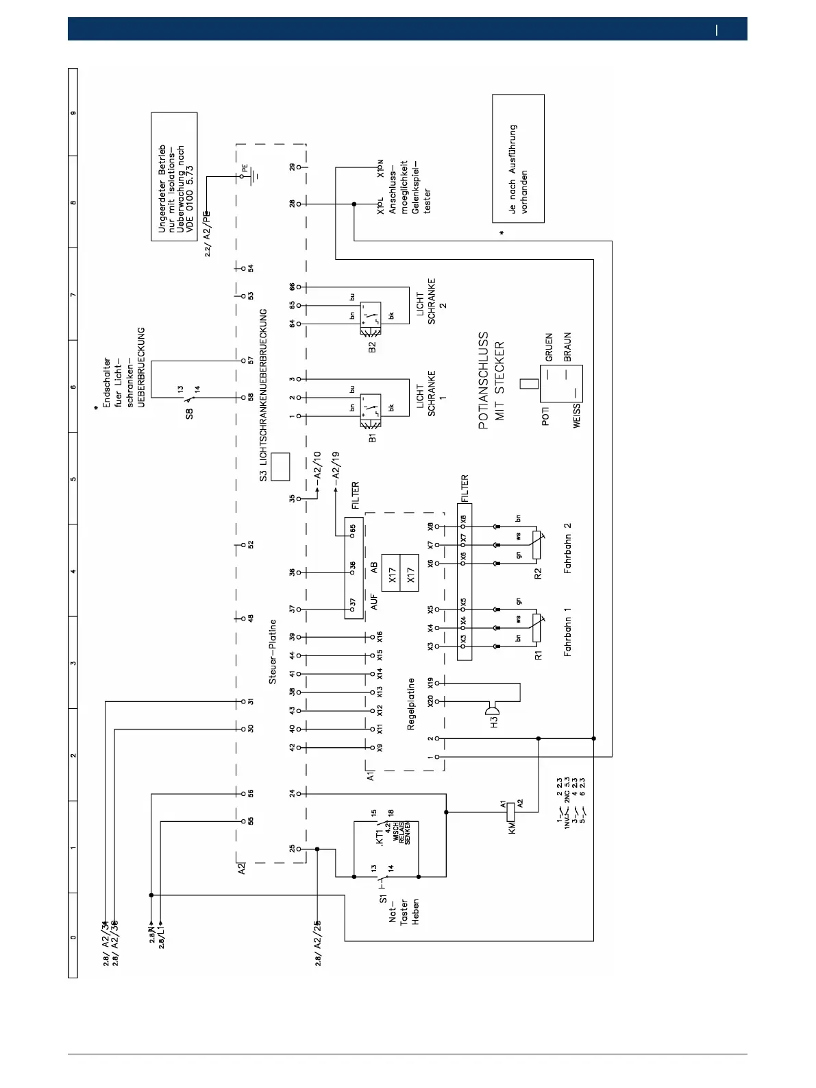
Fig. 40: Stromlaufplan 2b (mit Radfreiheber)

Table of Contents

Related product manuals