EasyManua.ls Logo

Bosch VLS 5140 - 7.2.2 Continuous footing

Bosch VLS 5140
Print Icon
To Next Page IconTo Next Page
To Next Page IconTo Next Page
To Previous Page IconTo Previous Page
To Previous Page IconTo Previous Page
Loading...
1 689 978 572 2014-06-06| Robert Bosch GmbH
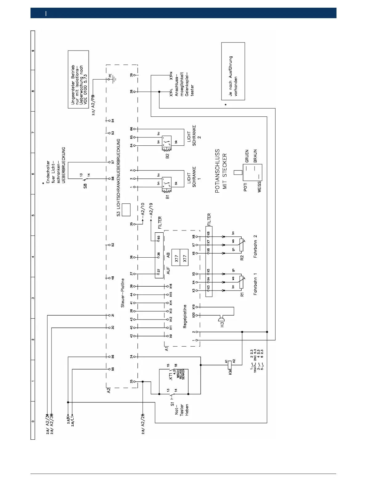
398 | VLS 5140 | 电路图cs
插图40: 电路图2b(带车轮自由抬升器)

Table of Contents

Related product manuals