EasyManua.ls Logo

ETC Hog 4 PC - Page 132

ETC Hog 4 PC
569 pages
Print Icon
To Next Page IconTo Next Page
To Next Page IconTo Next Page
To Previous Page IconTo Previous Page
To Previous Page IconTo Previous Page
Loading...
5. Adding, Patching and Managing Fixtures 129
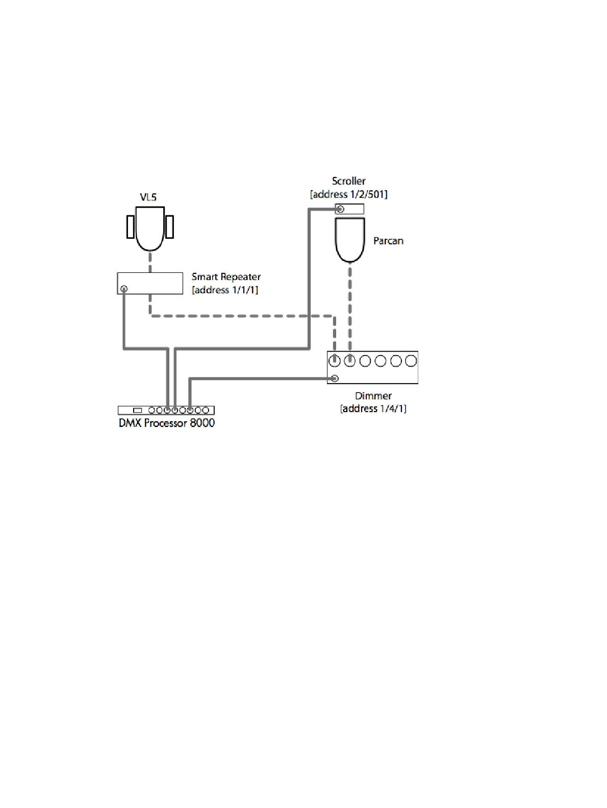
Fixtures with Multiple DMX Patch Points
Some fixture types consist of several separate elements that work together, each with their
own DMX address. An example is a par-can with a scroller, which operationally you want to
treat as a single fixture (‘a light that can change brightness and colour’) but that physically
consists of a dimmer-controlled lamp and a colour scroller that have separate and often non-
sequential patch points. Similarly, some moving fixtures such as the Vari*Lite VL5 consist of
the moving head with its own control electronics, fed by an external dimmer.
Examples of Fixtures requiring Multiple Patch Points
With such fixtures, there are two or more DMX start addresses, which may not be
numerically adjacent, and indeed may be on different universes and processors. Hog 4 OS
handles this by giving these fixtures multiple Patch Points, which you address separately in
the Fixture Patch window.

Table of Contents

Related product manuals