EasyManua.ls Logo

LAR Process Analysers QuickTOC ultra - TOC-Difference Method (1 Sample Stream)

LAR Process Analysers QuickTOC ultra
297 pages
Print Icon
To Next Page IconTo Next Page
To Next Page IconTo Next Page
To Previous Page IconTo Previous Page
To Previous Page IconTo Previous Page
Loading...
12E5119 Instruction Manual QuickTOC
®
ultra
IECEx 257
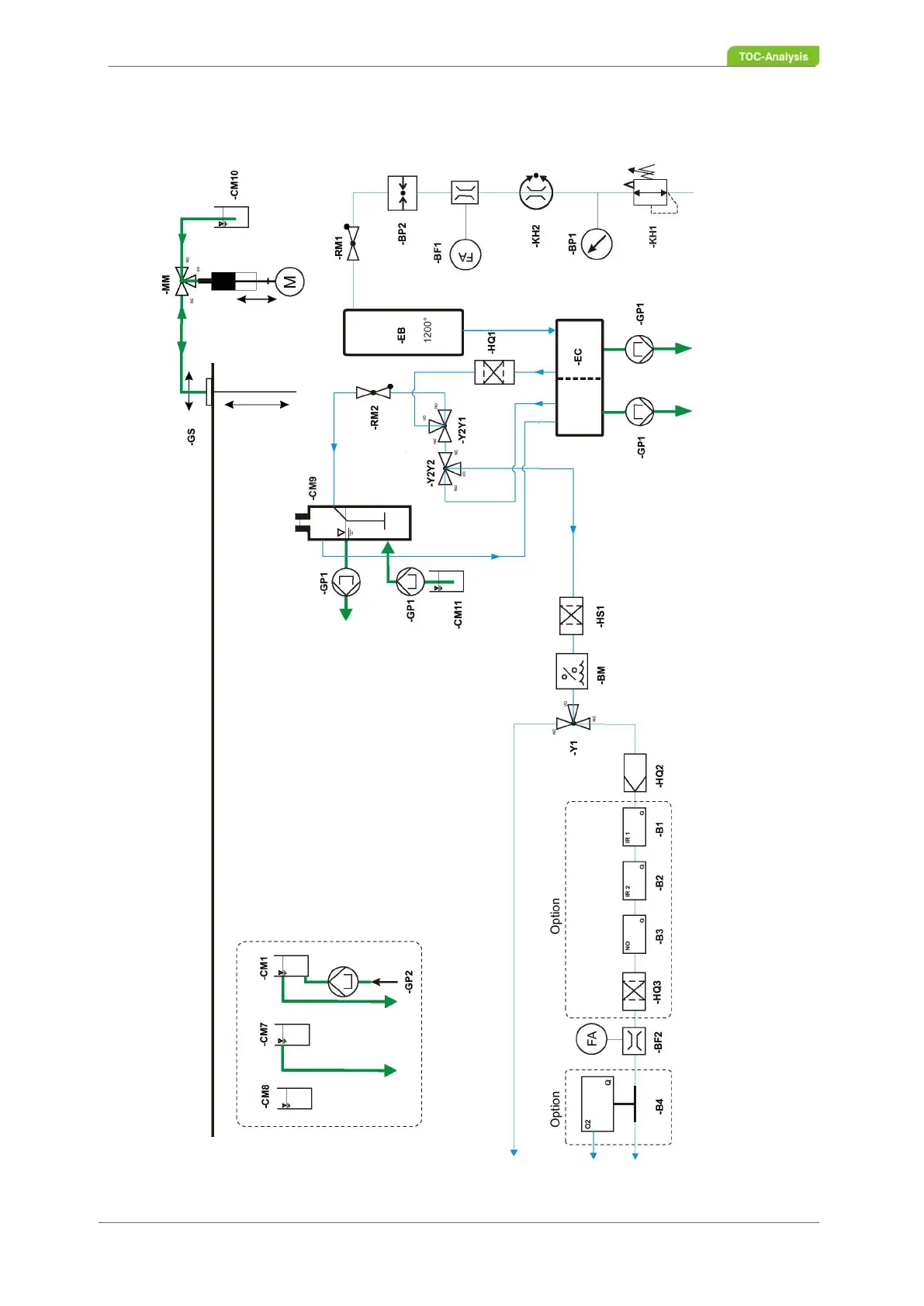
12 Flow Diagrams
12.2 TOC-Difference Method (1 Sample Stream)
LAR | PROCESS ANALYSERS AG
12.2 TOC-Difference Method (1 Sample Stream)
Fig. 161: Flow diagram for TOC-Difference Method (1 Sample stream)

Table of Contents