EasyManua.ls Logo

LAR Process Analysers QuickTOC ultra - TOC- Direct Method (1 Sample Stream)

LAR Process Analysers QuickTOC ultra
297 pages
Print Icon
To Next Page IconTo Next Page
To Next Page IconTo Next Page
To Previous Page IconTo Previous Page
To Previous Page IconTo Previous Page
Loading...
12E5119 Instruction Manual QuickTOC
®
ultra
IECEx 259
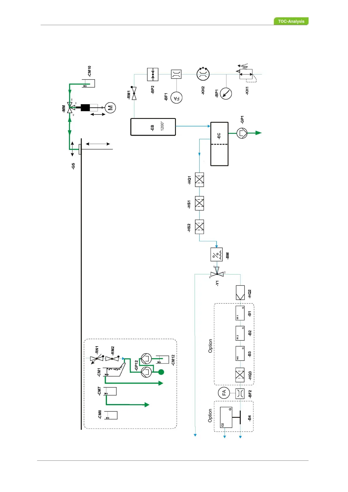
12 Flow Diagrams
12.4 TOC- Direct Method (1 Sample stream)
LAR | PROCESS ANALYSERS AG
12.4 TOC- Direct Method (1 Sample stream)
Fig. 163: Flow diagram for TOC-DIrect Method (1 Sample stream)

Table of Contents