EasyManua.ls Logo

LAR Process Analysers QuickTOC ultra - Tconly-Method (2 Sample Streams)

LAR Process Analysers QuickTOC ultra
297 pages
Print Icon
To Next Page IconTo Next Page
To Next Page IconTo Next Page
To Previous Page IconTo Previous Page
To Previous Page IconTo Previous Page
Loading...
262 Instruction Manual QuickTOC
®
ultra
IECEx 12E5119
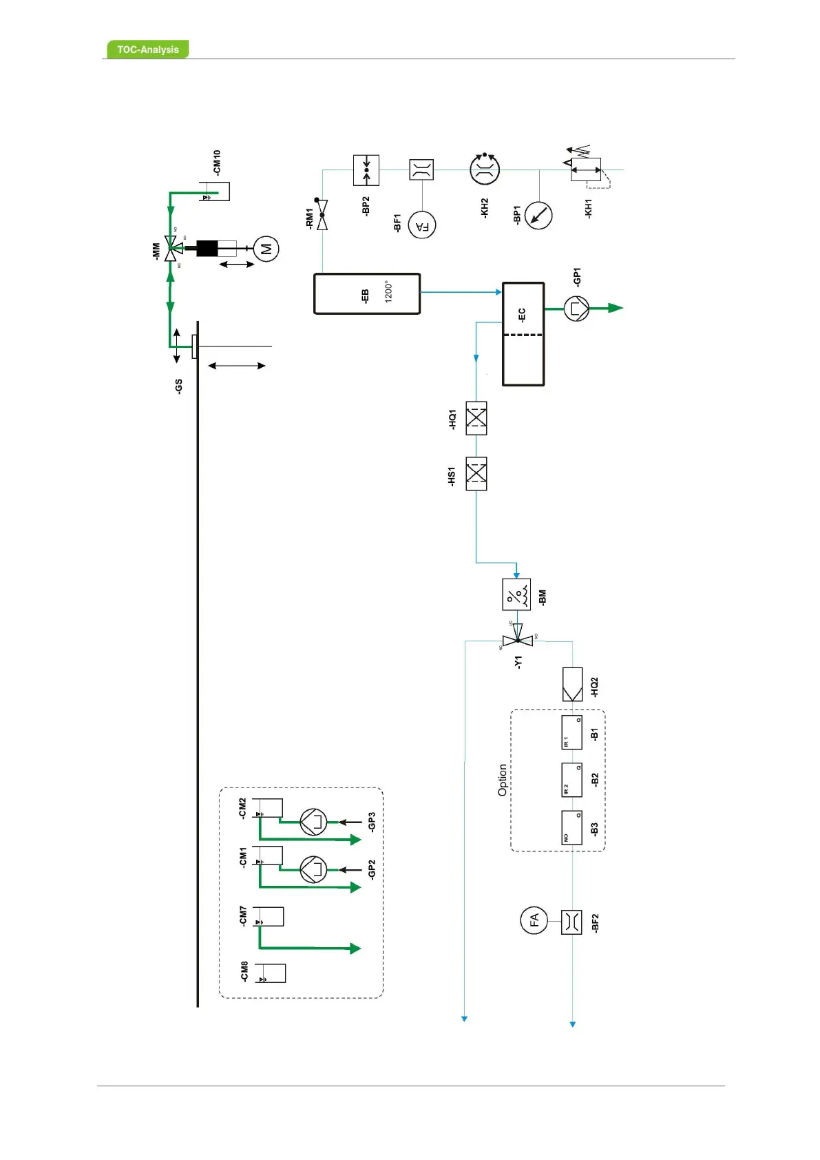
12 Flow Diagrams
12.7 TConly-Method (2 Sample streams) LAR | PROCESS ANALYSERS AG
12.7 TConly-Method (2 Sample streams)
Fig. 166: Flow diagram for TConly-Method (2 Sample streams)

Table of Contents