EasyManua.ls Logo

LAR Process Analysers QuickTOC ultra - Emergency Shutdown

LAR Process Analysers QuickTOC ultra
297 pages
Print Icon
To Next Page IconTo Next Page
To Next Page IconTo Next Page
To Previous Page IconTo Previous Page
To Previous Page IconTo Previous Page
Loading...
12E5119 Instruction Manual QuickTOC
®
ultra
IECEx 71
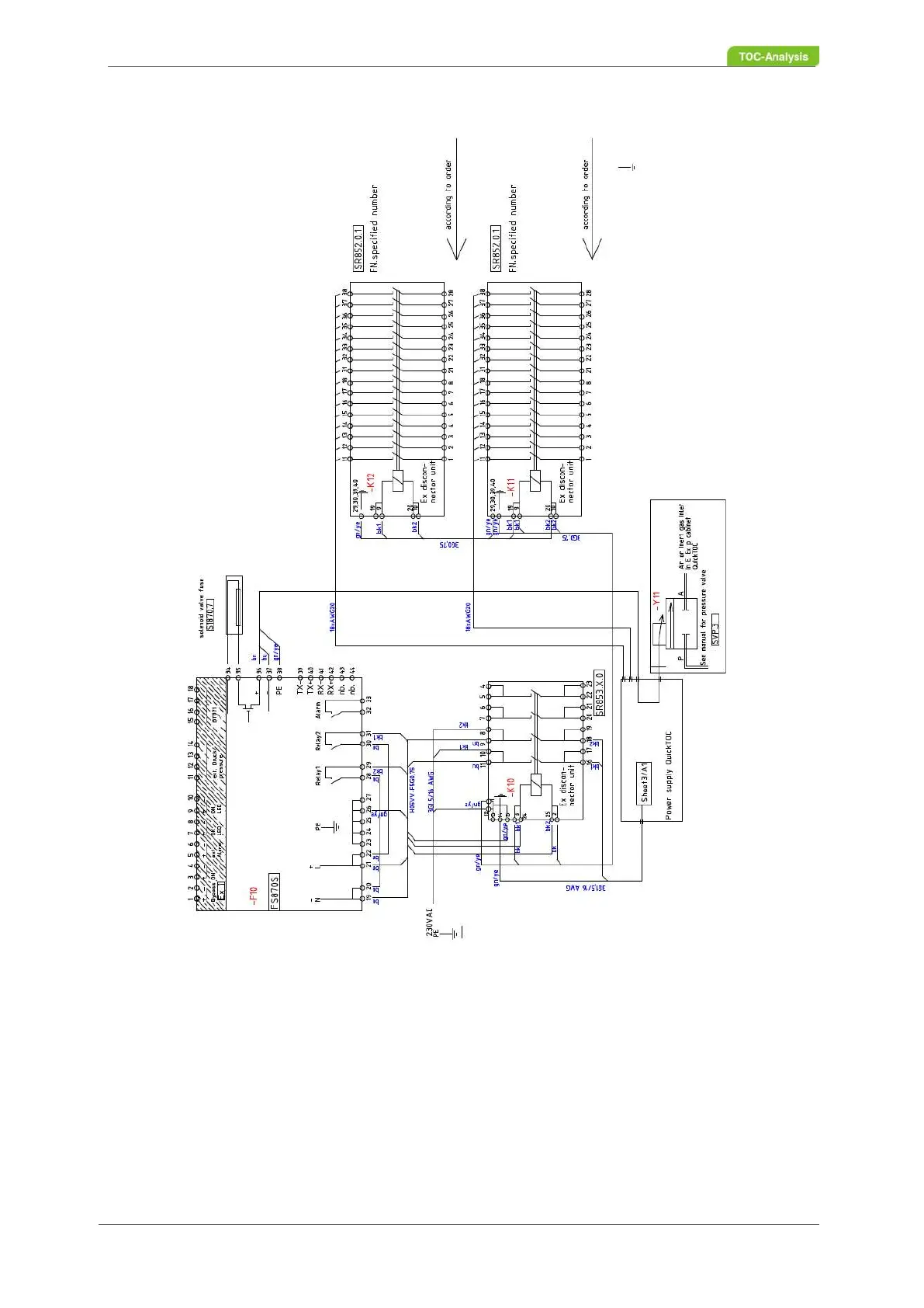
5 Start-up
5.12 Electrical Connection of the Control Unit and the Relays
LAR | PROCESS ANALYSERS AG
Fig. 49: Connection plan for control unit and relays
5.12.1 Emergency Shutdown
When operating the analyser for ATEX Zone 1, the analyser will shut off if the internal pressure is too
low or too high (0.8 - 15 mbar). To do so, the control unit measures the internal pressure and switches
off the analyser when the minimum pressure drops below the defined value. Please refer to the operating
instructions for pressurized enclosure systems type F 870S (Gönnheimer Elektronik GmbH).
There are three units for the power supply and the input signals. The power supply to the analyzer is
disconnected by unit SR853. This unit switches the analyser off in case of a pressure alarm of the control

Table of Contents