EasyManua.ls Logo

YASKAWA GA700 - Protection of Main Circuit Terminals

YASKAWA GA700
1053 pages
Print Icon
To Next Page IconTo Next Page
To Next Page IconTo Next Page
To Previous Page IconTo Previous Page
To Previous Page IconTo Previous Page
Loading...
Mechanical & Electrical
Installation
2
2.12 Main Circuit Wiring
YASKAWA ELECTRIC SIEP C710617 05F YASKAWA AC Drive GA700 Technical Manual 97
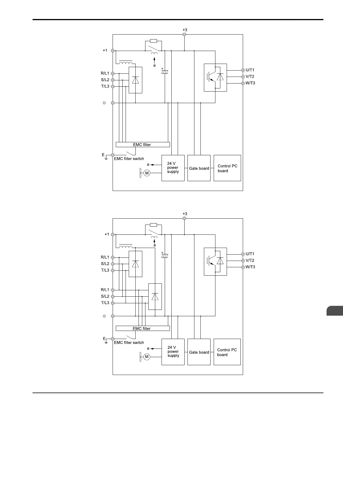
Figure 2.86 Drive Main Circuit Configuration
Figure 2.87 Drive Main Circuit Configuration
Protection of Main Circuit Terminals
When wiring the main circuit terminals, do not let cable ends go near terminals or the drive. If you use crimped
terminals, make sure that you also use insulation caps.

Table of Contents

Other manuals for YASKAWA GA700

Related product manuals