EasyManua.ls Logo

Canberra Lynx - Digital Oscilloscope

Canberra Lynx
227 pages
Print Icon
To Next Page IconTo Next Page
To Next Page IconTo Next Page
To Previous Page IconTo Previous Page
To Previous Page IconTo Previous Page
Loading...
Digital Oscilloscope
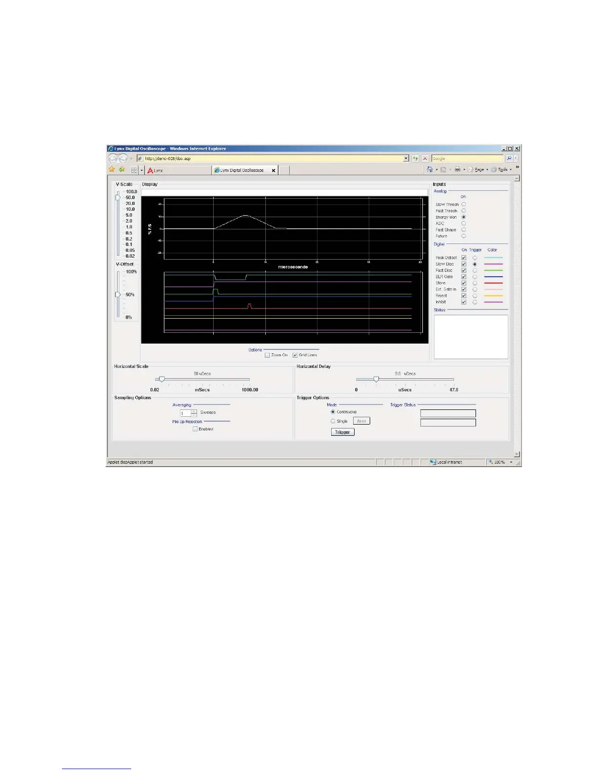
The Digital Oscilloscope option (DSO in the Security menu) is a specialized tool for
working with spectral data that is built into the Lynx system.
The digital oscilloscope is not a typical Lynx Menu option, but more like a separate
tool accessible from the Lynx menu. It is not specific to an Input or your acquisitions.
Note This feature is browser specific (suggested: use IE 6 /7, or Opera)
See Chapter 5 of this User's Guide for complete information on this feature.
User’s Manual 105
Digital Oscilloscope |
Figure 79 - The Digital Oscilloscope's initial screen view

Table of Contents