EasyManua.ls Logo

STC micro STC8A8K64D4 Series - Page 197

Default Icon
901 pages
Print Icon
To Next Page IconTo Next Page
To Next Page IconTo Next Page
To Previous Page IconTo Previous Page
To Previous Page IconTo Previous Page
Loading...
STC8A8K64D4 Series Manual
-
- 181 -
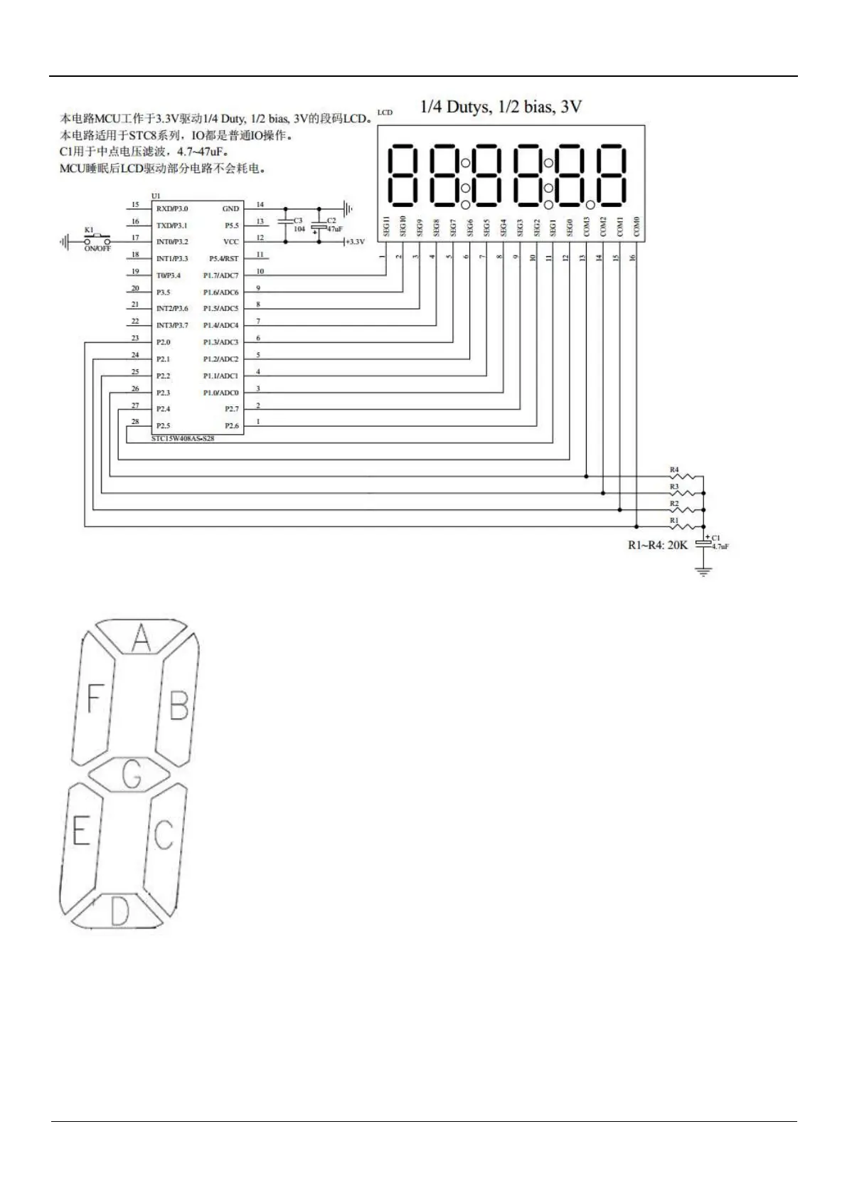
Figure 1 Circuit for driving a ā€˜1/4Duty, 1/2BIAS, 3V’ LCD
Figure 2 Segment name

Table of Contents

Related product manuals