EasyManua.ls Logo

STC micro STC8A8K64D4 Series - Download Using RS-232 Converter (General Precision ADC), Emulation Supported

Default Icon
901 pages
Print Icon
To Next Page IconTo Next Page
To Next Page IconTo Next Page
To Previous Page IconTo Previous Page
To Previous Page IconTo Previous Page
Loading...
STC8A8K64D4 Series Manual
-
- 43 -
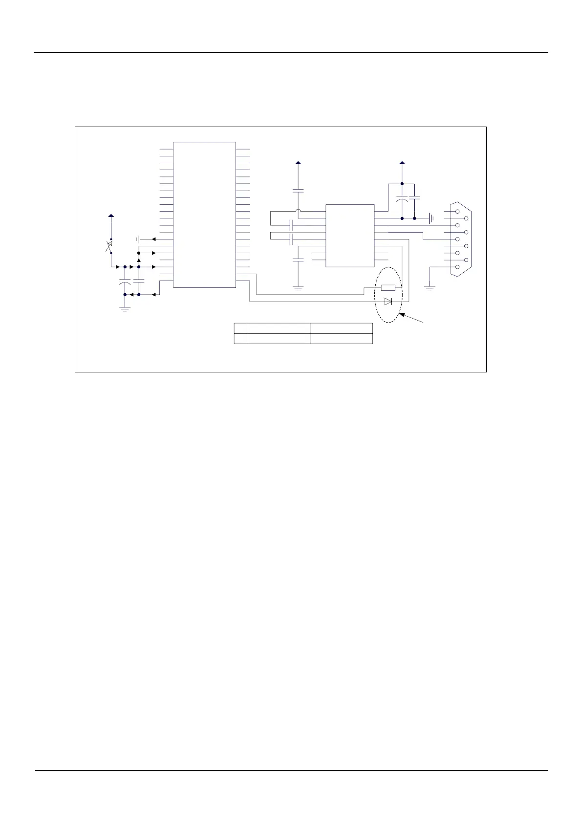
5.1.2 Download using RS-232 converter (General precision ADC), Emulation
supported
47u C?
P0.3
P0.4
P0.5
P0.6
P0.7
P1.0
P1.1
P1.2
P1.3
P1.4
P1.5
P1.6
P1.7
AGnd
AVref
AVcc
P5.4
Vcc
P5.5
Gnd
P0.2
P0.1
P0.0
P2.7
P2.6
P2.5
P2.4
P2.3
P2.2
P2.1
P2.0
P4.1
P3.7
P3.6
P3.5
P3.4
P3.3
P3.2
P3.1
P3.0
1
2
3
4
5
6
7
8
9
10
11
12
13
14
15
16
17
18
19
20
40
39
38
37
36
35
34
33
32
31
30
29
28
27
26
25
24
23
22
21
C1+
V+
C1-
C2+
C2-
V-
T2OUT
R2IN
VCC
GND
T1OUT
R1IN
R1OUT
T1IN
T2IN
R2OUT
1
2
3
4
5
6
7
8
16
15
14
13
12
11
10
9
0.1u
0.1u
0.1u
0.1u
Vcc
10u
Vcc
1
6
2
7
3
8
4
9
5
STC8A8K64D4
SP3232
0.1u
1N5819
100R
System power
(Can be powered from USB)
Vin
Power On
Vcc
Here, resistor and diode
can be omitted
47u Tantalum capacitor (package 3528)
22u Monolithic capacitor (package 0603)
10u Monolithic capacitor (package 0603)
0.1u Monolithic capacitor (package 0603)
C?
System clock<=10MHz System clock>10MHz
104(0.1uF) 103(0.01uF)
ISP download steps:
1. Power off the target chip.
2. Click the ā€œDownload/Programā€ button in the STC-ISP download software.
3. Power on the target chip.
4. Start ISP download.

Table of Contents

Related product manuals