EasyManua.ls Logo

Belarus 892 - Page 104

Belarus 892
312 pages
Print Icon
To Next Page IconTo Next Page
To Next Page IconTo Next Page
To Previous Page IconTo Previous Page
To Previous Page IconTo Previous Page
Loading...
892-0000010B OM
104
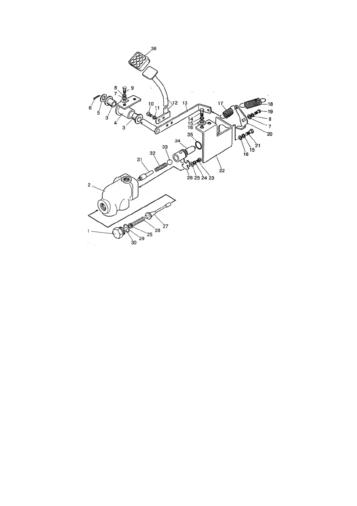
1 - plug; 2 - valve body; 3 - bushing; 4 - bracket; 5 - washer; 6 - cotter pin; 7, 16, 25 - washer;
8, 11, 15, 24 - spring washer; 9, 10, 14, 19, 21, 23 - bolt; 12 - pedal; 13 - lever; 17, 18 -
spring; 20 - spool lever; 22 - bracket; 26 - stopper; 27 - valve; 28 - spring; 29 - ring; 30 -
arrester; 31 – guide piece; 32 - spring; 33 - ball; 34 - spool; 35 - ring; 36 - pedal cushion.
Figure 3.4.4 Differential Lock Control

Table of Contents

Related product manuals