EasyManua.ls Logo

Belarus 892 - Hydrostatic Steering Control; General Information

Belarus 892
312 pages
Print Icon
To Next Page IconTo Next Page
To Next Page IconTo Next Page
To Previous Page IconTo Previous Page
To Previous Page IconTo Previous Page
Loading...
892-0000010B OM
119
3.10 Hydrostatic steering control
3.10.1 General information
The hydrostatic steering control (HSC) is designed to control the rotation of the guide
wheels and reduce the force on the steering wheel when turning the tractor.
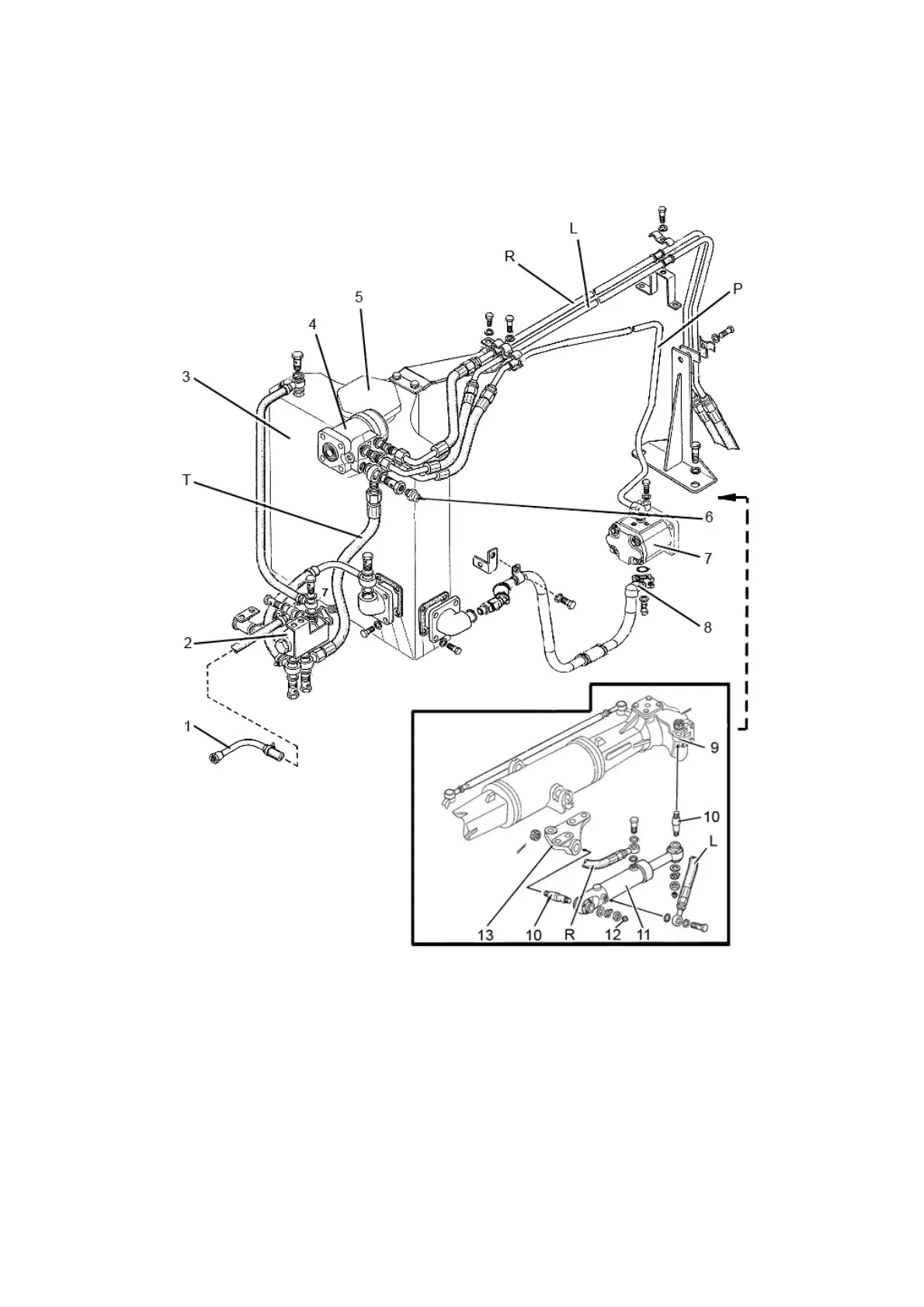
1 - oil line of the differential lock clutch; 2 - blocking valve; 3 - combined oil tank for
HLL and HSC; 4 - dosing pump; 5 - drain filter; 6 - emergency oil pressure sensor; 7 - HSC
feed pump; 8 - suction hydraulic line; 9 - gear unit lever; 10 - conical pins; 11 - hydraulic
cylinder of turning; 12 - grease fittings; 13 - cylinder bracket; P - pressure hydraulic line; T -
drain hydraulic line; L - hydraulic line of the left turn; R - hydraulic line of the right turn.
Figure 3.10.1 Hydrostatic steering and differential lock valve (for the BELARUS-892.2
tractor).
The HSC of the BELARUS-892/892.2 tractors consists of dosing pump 4 (Figure 3.10.1),
steering hydraulic cylinder 11, gear pump 7 driven by an engine, combined oil tank 3 and hydraulic
fittings (fittings, oil pipelines, high-pressure pipes, hoses and fastening parts).
The oil reservoir is combined oil tank 3 for the hydraulic lift linkage (HLL) and the HSC
hydraulic system. Oil is filtered through drain filter 5 installed in the HLL hydraulic system (nominal
filtration fineness 25 microns).

Table of Contents

Related product manuals