EasyManua.ls Logo

Belarus 892 - Clutch Housing

Belarus 892
312 pages
Print Icon
To Next Page IconTo Next Page
To Next Page IconTo Next Page
To Previous Page IconTo Previous Page
To Previous Page IconTo Previous Page
Loading...
892-0000010B OM
85
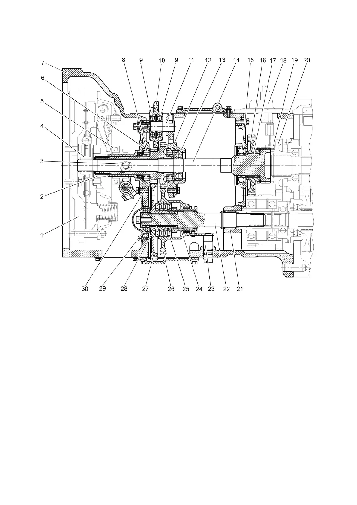
3.2.4 Clutch housing
The clutch housing of the BELARUS-892/892.2 tractors is shown in Figure 3.2.5.
1 - flywheel; 2 - floating bushing; 3 - yoke; 4 - hub; 5 - release bearing; 6 shifter
bracket; 7 - clutch housing; 8, 9, 12, 13, 15, 25, 29 - bearing; 10 – HLL pump drive gear; 11 -
axle; 14 - power shaft; 16 - drive gear of the reducing gear unit; 17 - rollers; 18 reducing
gear unit control mechanism; 19 toothed clutch; 20 - driven gear of the gear unit; 21, 28 -
needle bearing with outer race; 22 - driven shaft of the PTO drive; 23 - control shaft; 24 -
toothed clutch; 26 driven gear of the PTO drive (1000 rpm mode); 27 driven gear of the
PTO drive (540 rpm mode); 30 - driving pinion-shaft of the PTO drive.
Figure 3.2.5 – Clutch housing with increasing gear unit (or with reducing mechanical gear
unit)
Clutch housing 7 (Figure 3.2.5) can be conditionally divided into two parts: a dry com-
partment and a gear part.
In the dry compartment of the clutch housing there is a clutch mounted on flywheel 1
of the engine. On shifter bracket 6, also located in the dry compartment, a shifter with release
bearing 5 is installed, the shifter trunnions enter the eye of clutch release yokes 3. A grease
fitting is screwed into one of the shifter trunnions, intended to lubricate the release bearing.
The gear part includes a continuous two-speed rear PTO drive, HLL pump drive and
an increasing gear unit.

Table of Contents

Related product manuals