EasyManua.ls Logo

Delta AH500 - 4.8.2.4 TRIAC Output Circuit

Delta AH500
681 pages
To Next Page IconTo Next Page
To Next Page IconTo Next Page
To Previous Page IconTo Previous Page
To Previous Page IconTo Previous Page
Loading...
Chapter 4 Installing Hardware and Wiring
4-67
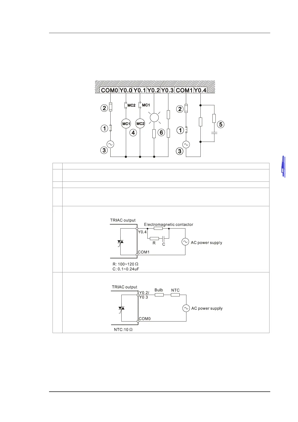
4.8.2.4 TRIAC Output Circuit
TRIAC terminals only can be applied to alternating current which passes through a load. The maximum
current which can passes through every TRIAC terminal is 0.5 A, and the maximum current which can passes
through every common terminal is 2 A.
TRIAC output circuit
Emergency stop: An external switch is used.
Fuse: To protect the output circuit, a fuse having a breaking capacity in the range of 5 A to 10 A is
connected to the common terminal.
Alternating-current power supply.
Mutually exclusive output: For example, Y0.0 controls the clockwise rotation of the motor, and Y0.1
controls the counterclockwise rotation of the motor. The interlock circuit which is formed, and the
program in the PLC ensure that there are protective measures if an abnormal condition occurs.
An electromagnetic contactor is used as an AC load. A resistor and a capacitor are connected in
parallel to absorb the surge voltage which occurs when the load is OFF.
A bulb (neon lamp) is used as an AC load. A thermistor is connected in series to absorb the surge
current which occurs when the load is ON.

Table of Contents

Other manuals for Delta AH500

Related product manuals