EasyManua.ls Logo

Delta AH500 - 4.13.5.1 Wiring the Differential Input Terminals; 4.13.5.2 Transistor Output Circuit

Delta AH500
681 pages
To Next Page IconTo Next Page
To Next Page IconTo Next Page
To Previous Page IconTo Previous Page
To Previous Page IconTo Previous Page
Loading...
Chapter 4 Installing Hardware and Wiring
4-117
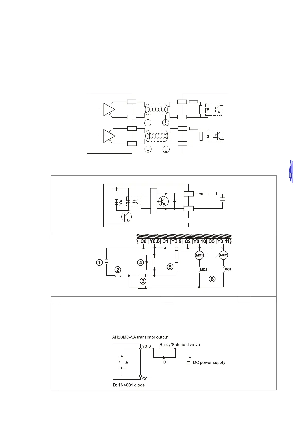
4.13.5.1 Wiring the Differential Input Terminals
The direct-current signals ranging in voltage from 5 V to 24 V can pass through the high-speed input terminals
X0.0+~X0.3+, X0.0-~X0.3-, X0.8+~X0.15+, and X0.8-~X0.15- on AH20MC-5A. The frequency of input signals
can be up to 200 kHz. These high-speed input terminals are connected to a differential (two-wire) line driver.
Wiring differential input terminals (The wiring below is used for high speed and high noise.)
A-
X0.0+
X0.0-
A+
A
B-
X0.1 +
X0.1 -
B+
B
Encoder output AH20MC-5A high speed input-
4.13.5.2 Transistor Output Circuit
Direct-current power supply
Emergency stop
Fuse
The output terminals of a transistor module are open-collector output terminals. If Y0.8 is a pulse train
output terminal of a transistor module, the output current passing through its output pull-up resistor must
be greater than 0.1 A to ensure that the transistor module operates normally.
A relay or a solenoid valve is used as a DC load. A diode is connected in parallel to absorb the surge
voltage which occurs when the load is OFF.
Transistor output
Load
Trigger circuit
Y0.8
LED
C0
AH20MC-5A
< 0.5A

Table of Contents

Other manuals for Delta AH500

Related product manuals