EasyManua.ls Logo

Delta AH500 - 8.3 Installation and Wiring

Delta AH500
681 pages
To Next Page IconTo Next Page
To Next Page IconTo Next Page
To Previous Page IconTo Previous Page
To Previous Page IconTo Previous Page
Loading...
Chapter 4 Installing Hardware and Wiring
4-103
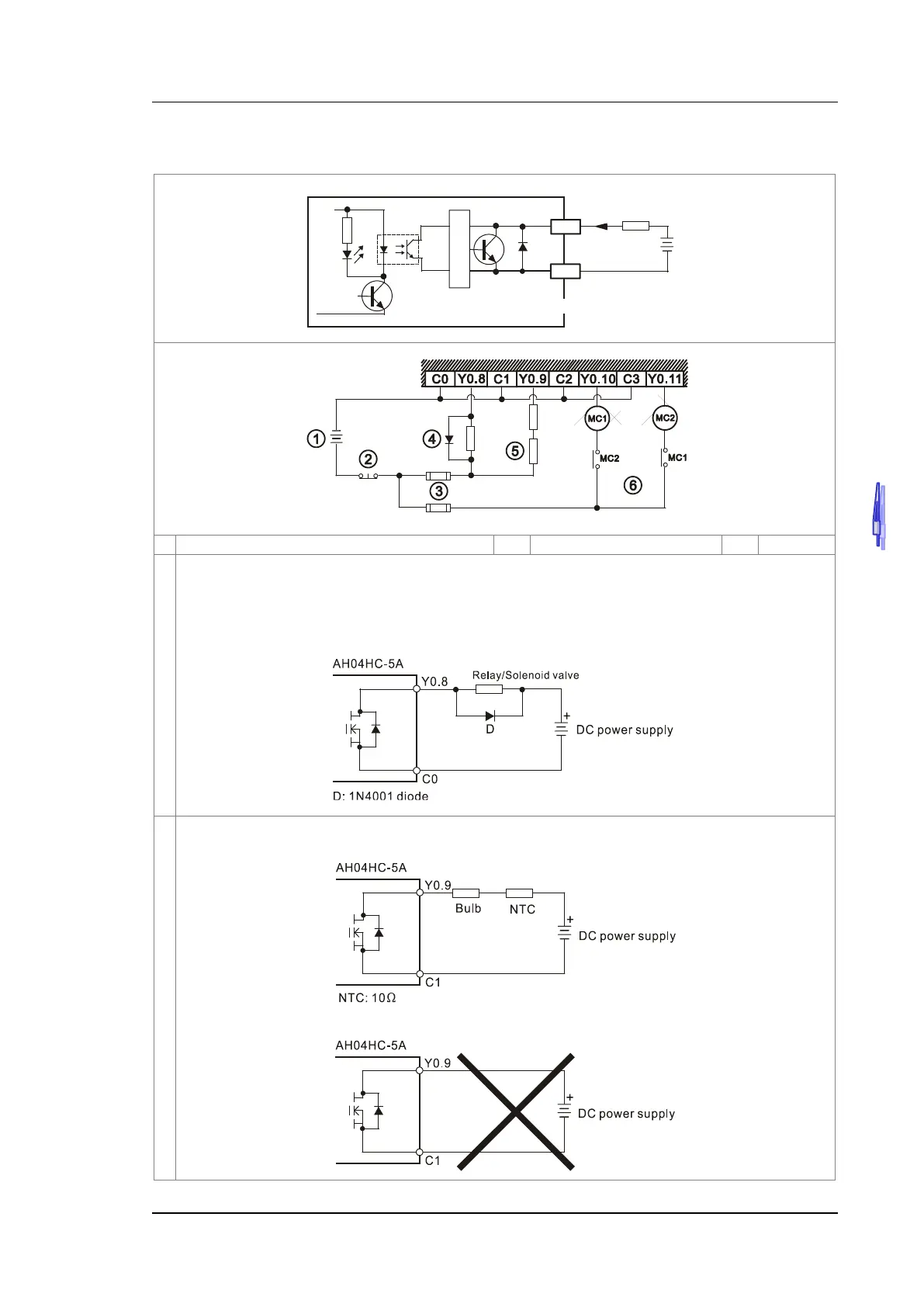
4.13.3.3 Transistor Output Circuit
Direct-current power supply
Emergency stop
Fuse
The output terminals of a transistor module are open-collector output terminals. If Y0.8 is a pulse train
output terminal of a transistor module, the output current passing through its output pull-up resistor must
be greater than 0.1 A to ensure that the transistor module operates normally.
A relay or a solenoid valve is used as a DC load. A diode is connected in parallel to absorb the surge
voltage which occurs when the load is OFF.
A bulb (incandescent lamp) is used as a DC load. A thermistor is connected in series to absorb the surge
current which occurs when the load is ON.
Y0.9 can not be connected to a power supply directly. It must be connected to a load.
Transistor output
Load
Trigger circuit
Y0.8
LED
C0
AH04HC-5A
< 0.5A

Table of Contents

Other manuals for Delta AH500

Related product manuals