EasyManua.ls Logo

STC micro STC8A8K64D4 Series - Page 806

Default Icon
901 pages
Print Icon
To Next Page IconTo Next Page
To Next Page IconTo Next Page
To Previous Page IconTo Previous Page
To Previous Page IconTo Previous Page
Loading...
STC8A8K64D4 Series Manual
- 790 -
Automatic burning tool
Sorter signal
P3.6
Start signal
P1.5
Completion signal
P5.4
OK signal (good signal)
P3.7
ERROR signal (defective product signal)
Buzzer (BEEP) control
P2.5
High effective (sound at high level)
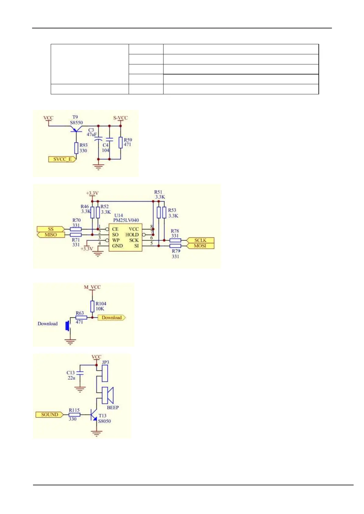
Reference circuit diagram for power control part:
Reference circuit diagram of Flash control part:
This Flash memory is required when the user program is larger than 41K
The reference circuit diagram of the button part:
Reference circuit diagram of the buzzer part:
LED display part reference circuit diagram:

Table of Contents

Related product manuals