EasyManua.ls Logo

Chery QQ - Page 309

Chery QQ
635 pages
Print Icon
To Next Page IconTo Next Page
To Next Page IconTo Next Page
To Previous Page IconTo Previous Page
To Previous Page IconTo Previous Page
Loading...
Chery QQ Service Manual
- 2 -
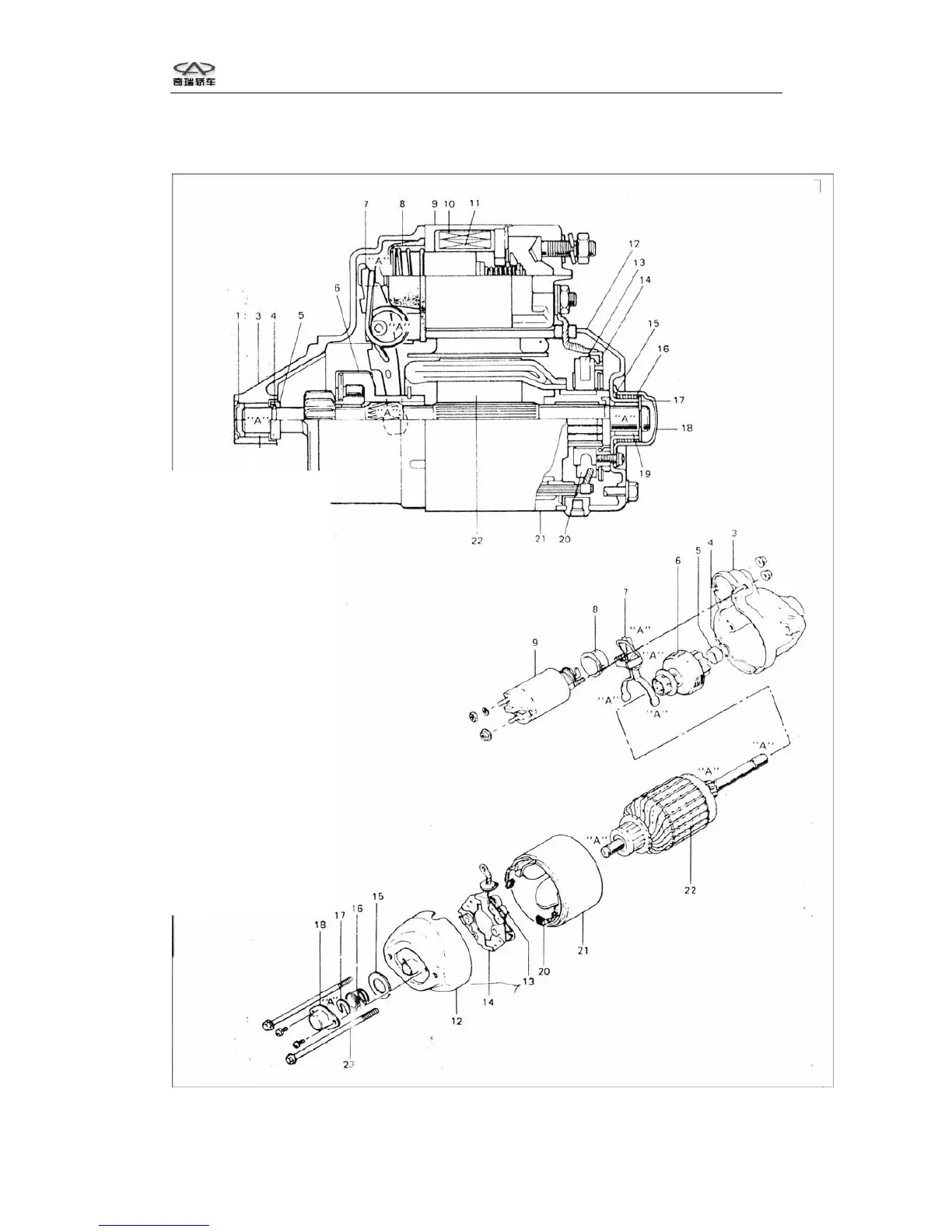
1.Drive cap protective cover
2.Drive shaft sleeve
3.Drive
4. Armature snap ring
5.Pinion stop ring
6.Overspeed clutch assembly
7.Start pinion fork
8.Magnet switch protective
cover
9.Magnet switch
10.Retain coil
11.Suction coil
12.Rectifier end cover
13.Brush press spring
14.Brush bracket assembly
15.End cover seal gasket
16.Armature spring
17.Armature clip plate
18.Rectifier rear cover
19.Rectifier end sleeve
20.Brush
21.start motor bracke
t
assembly
22.Armature
23.Bolt
“A” daub lubricating grease:
99000-25010
2

Table of Contents

Related product manuals