EasyManua.ls Logo

Chery QQ - Circuit Diagram of the Wiper and Wash Equipment

Chery QQ
635 pages
Print Icon
To Next Page IconTo Next Page
To Next Page IconTo Next Page
To Previous Page IconTo Previous Page
To Previous Page IconTo Previous Page
Loading...
Chery QQ Service Manual BCM Computer Control System
- 102 -
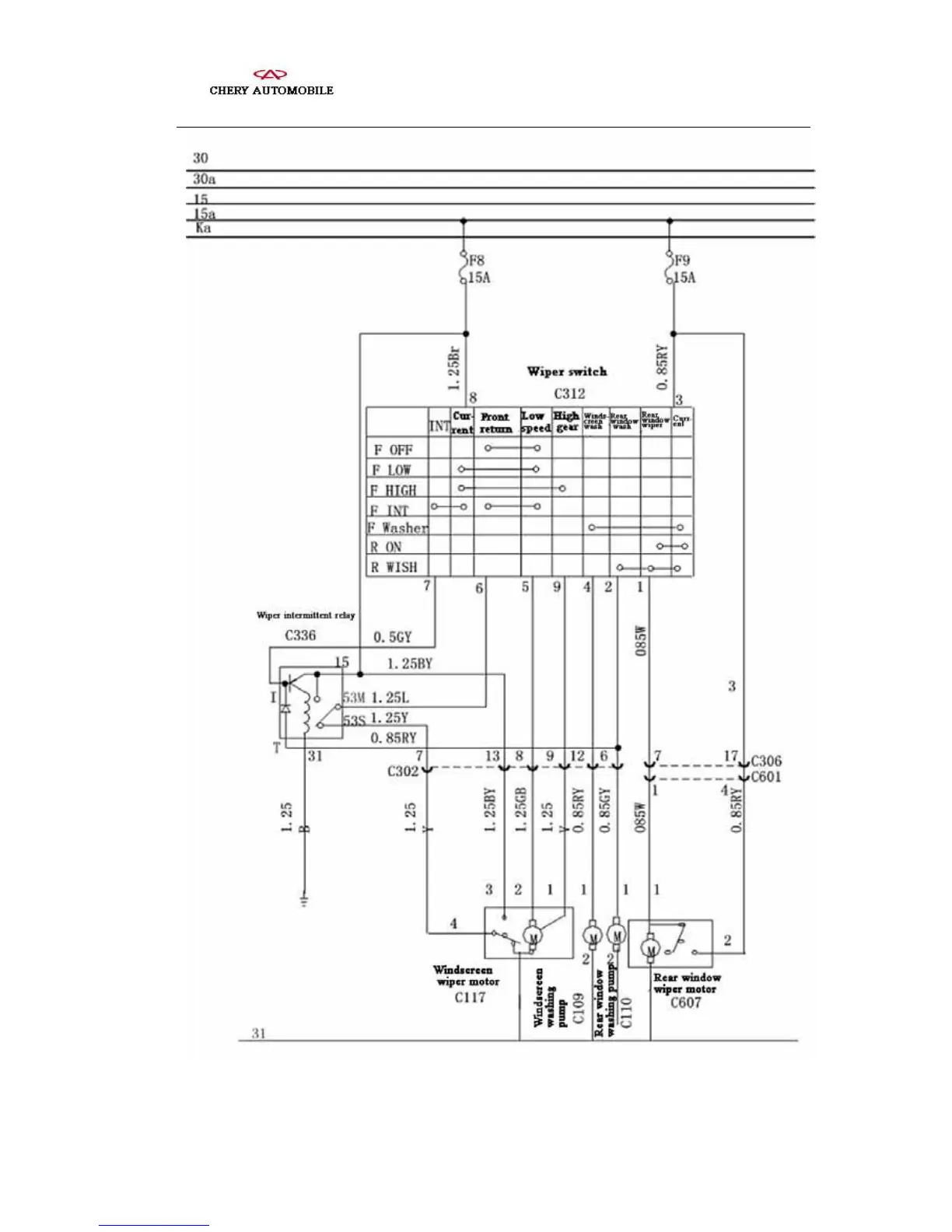
Circuit diagram of the wiper and wash equipment

Table of Contents

Related product manuals