EasyManua.ls Logo

Honda InterceptorVF700F - VFR75001790049.PDF

Honda InterceptorVF700F
309 pages
Print Icon
To Next Page IconTo Next Page
To Next Page IconTo Next Page
To Previous Page IconTo Previous Page
To Previous Page IconTo Previous Page
Loading...
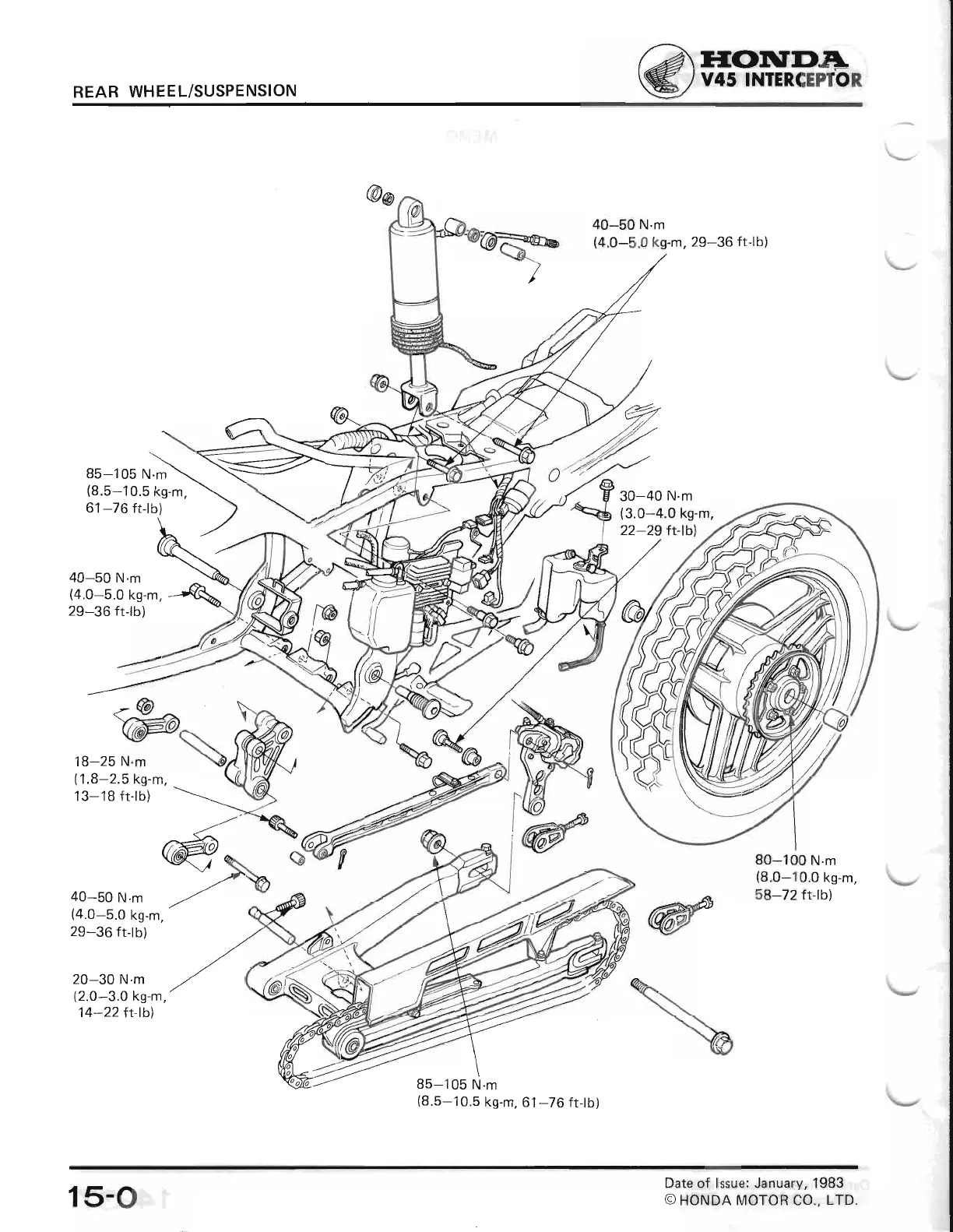
REAR
WHEEL/SUSPENSION
@Hs..ily-?*+"-
@o
40-50 N'm
(4.0-5.0
ks-m, 29-36
ft-lb)
%
85-105
N.m
(8.5-10.5
kg-m,
61-76 ft-tb)
40-50 N.m
(4.0-5.0
kg-m,
29-36 ft-rb)
18-25
N.m
(1.8-2.5
kg-m,
13-18
ft-lb)
40-50
N.m
(4.0-5.0
ks-m,
29-36
ft-tb)
20-30
N.m
(2.0-3.0
kg-m,
14-22
ft-lbl
80-100
N.m
(8.0-10.0
ks-m,
58-72
ft-rb)
@
\
30-40
N.m
(3.0-4.0
ks-m,
85-105
N.m
15-O
(8.5-10.5
kg-m,
61-76 ft-lb)
Date of lssue: January, 1983
O
HoNDA
MoToR
cO.,
LTD.

Table of Contents

Related product manuals