EasyManua.ls Logo

Honda InterceptorVF700F - VFR75001790121.PDF

Honda InterceptorVF700F
309 pages
Print Icon
To Next Page IconTo Next Page
To Next Page IconTo Next Page
To Previous Page IconTo Previous Page
To Previous Page IconTo Previous Page
Loading...
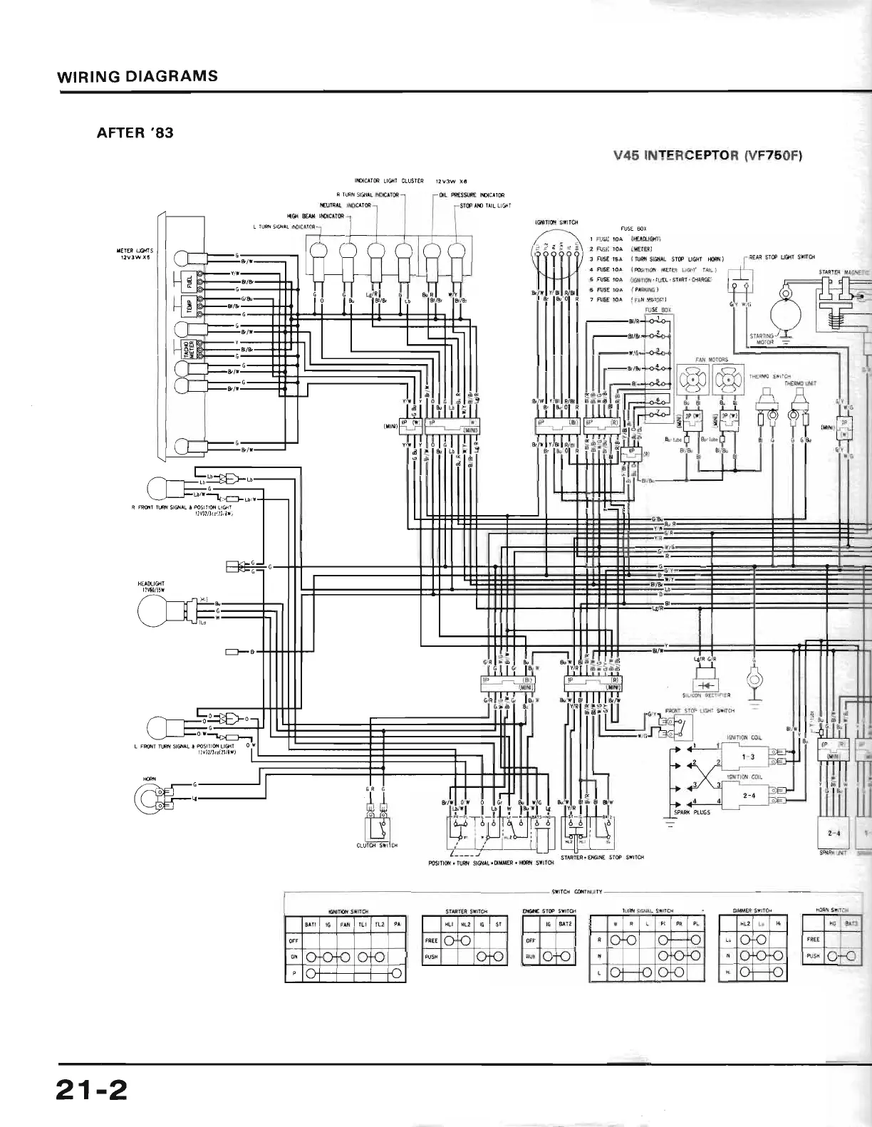
WIRING
DIAGRAMS
AFTER'83
*Tti
ws
v45 INTERCEPTOR
(VF7sOF)
rDarfi
Lrqr cLusti
i2v3w xa
R TURN
SIOAL IWATfr
EUTRIL IUCITfi
aq s$
rrctctrfi
rilTtd
sflrq
rusE &x
I
FUSE
lOA
(EAilqT)
2 FUSE IOA
(UflA)
3
ruSE
I5A
(
IUil
SBTL ST@ LIGHT ffi)
4 rusEtoA
(msmd
METER
Lrqr
rAtL)
5
ruS
rOA
(rflrfl
FUEL.SiART.CHARGE)
6
ruSE roA {
P SXTNG
)
7
rusE
roa
(
FAN M010R
)
ST@
LBI sWtrCN
TNERMO
SW
lCH
SIIRTER MAGNflK
L]GNT SWITCH
tetTtot
colL
L FW TW SIilL I
rcgTlil LIqI
lIv3z/3co(2!/lr)
ffn
roStlld.Tm
gqAL.OilMER.
ffi SIITS
ste s[TcN
stlRtER sflts
-
srtTcH cflltNufv
ffi sre sffq
qMM€R
SW]ICH
u'r-loc=-
R
MT
TR
gqIL
I ro$Tlil LISI
t?v!?/t.rt?t/t*)
,All
IG
TU
fL2
a
a
r)
21
-2
ffiffi
ffiffi
l'
loFrol

Table of Contents

Related product manuals