EasyManua.ls Logo

Omron MX2 - Page 200

Omron MX2
356 pages
Print Icon
To Next Page IconTo Next Page
To Next Page IconTo Next Page
To Previous Page IconTo Previous Page
To Previous Page IconTo Previous Page
Loading...
178
Using Intelligent Input Terminals Section 4-5
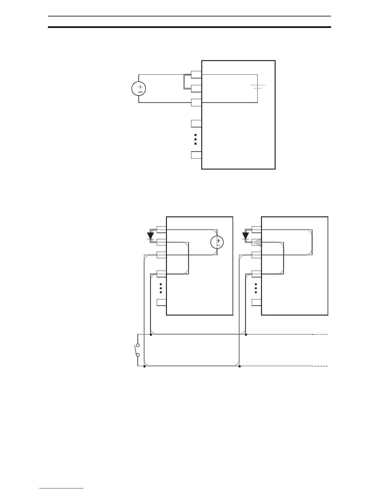
The power to the inverter control part can be supplied externally as shown
below. Except driving motor, it is possible read and write the parameters by
keypad and via communication even the drive itself is not powered.
By having ability inverter doesn't block the current flowing into itself when it is
not powered. This may cause the closed circuit when two or more inverters
are connected to common I/O wiring as shown below to result in unexpected
turning the on the input. To avoid this closed circuit, please put the diode
(rated: 50 V/0.1 A) in the path as described below.
P2 4
PL C
L
1
7
MX2
P2 4
PL C
L
1
7
P2 4
PL C
L
1
7
MX2MX2

Table of Contents

Other manuals for Omron MX2

Related product manuals