EasyManua.ls Logo

Omron MX2 - Single Phase Pulse Input; Simple Positioning Setting

Omron MX2
356 pages
Print Icon
To Next Page IconTo Next Page
To Next Page IconTo Next Page
To Previous Page IconTo Previous Page
To Previous Page IconTo Previous Page
Loading...
158
"P" Group: Other Parameters Section 3-9
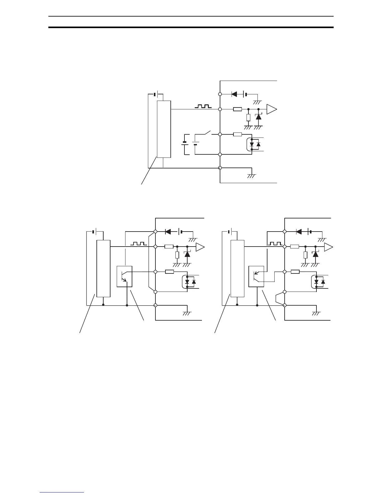
Single phase pulse input
Wire phase-A to EA terminal and direction signal to EB terminal. Both sink or
source logic are available for EB terminal by changing position of the short
bar. Assign EB in input terminal 7. ON input is forward and OFF input is
reverse direction.
Simple positioning setting
Set "01" in [EA] selection (P003), then pulse train input is used as feed-
back signal from encoder.
Set "02" in simple positioning selection (P012), then simple positioning is
enabled. (If "00" is set, "V/f control with FB" is enabled. Please refer to xx
for further information.
Up to 8 position data are commanded by combination of 3 input terminals
configured as CP1 to CP3.
Besides positioning input, RUN command (FW,RV) is necessary. Since
rotation direction does not matter for positioning, both FW and RV work as
RUN command.
Positioning speed depends on frequency source (A001).
P24
EA
7/EB
PLC
L
Vcc
GND
Out
MX2
Dir.
Sink type transistor
Encoder
P24
EA
7/EB
PLC
L
Vcc
GND
Out
MX2
Souce type transistor
Encoder
Dir.
P24
EA
7/EB
PLC
L
Vcc
GND
Out
MX2
Encoder
Dir.
PNP open collector type or
voltage output type encoder
PNP open collector type or
voltage output type encoder
PNP open collector type or
voltage output type encoder

Table of Contents

Other manuals for Omron MX2

Related product manuals