EasyManua.ls Logo

Toro Multi Pro 5800 - Page 466

Toro Multi Pro 5800
501 pages
To Next Page IconTo Next Page
To Next Page IconTo Next Page
To Previous Page IconTo Previous Page
To Previous Page IconTo Previous Page
Loading...
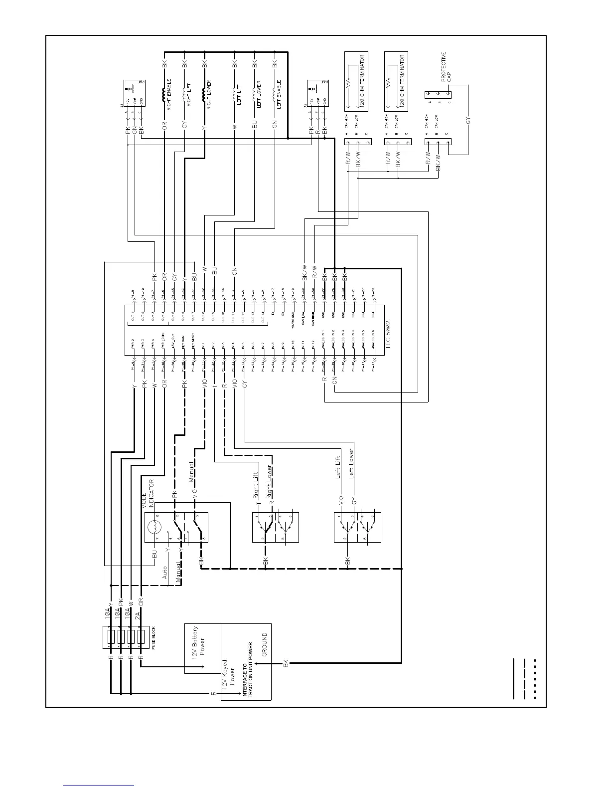
Multi Pro 5800Page 10 − 14Ultra Sonic Boom Kit (Optional)
Ultra Sonic Boom System
Power Current
Control Current
Indicator Light Current
Manual Boom Operation (Lower Right Boom Shown)
Sonic Boom Switch in Manual Position
S3 (TOP COIL)
S2 (BOTTOM COIL)
S3 (BOTTOM COIL)
S2 (TOP COIL)
S4
S5
LEFT SONIC
SENSOR
RIGHT SONIC
SENSOR
LEFT BOOM
LIFT SWITCH
SONIC BOOM
RIGHT BOOM
SWITCH
LIFT SWITCH

Table of Contents

Other manuals for Toro Multi Pro 5800

Related product manuals