EasyManua.ls Logo

Toro Multi Pro 5800 - Page 78

Toro Multi Pro 5800
501 pages
To Next Page IconTo Next Page
To Next Page IconTo Next Page
To Previous Page IconTo Previous Page
To Previous Page IconTo Previous Page
Loading...
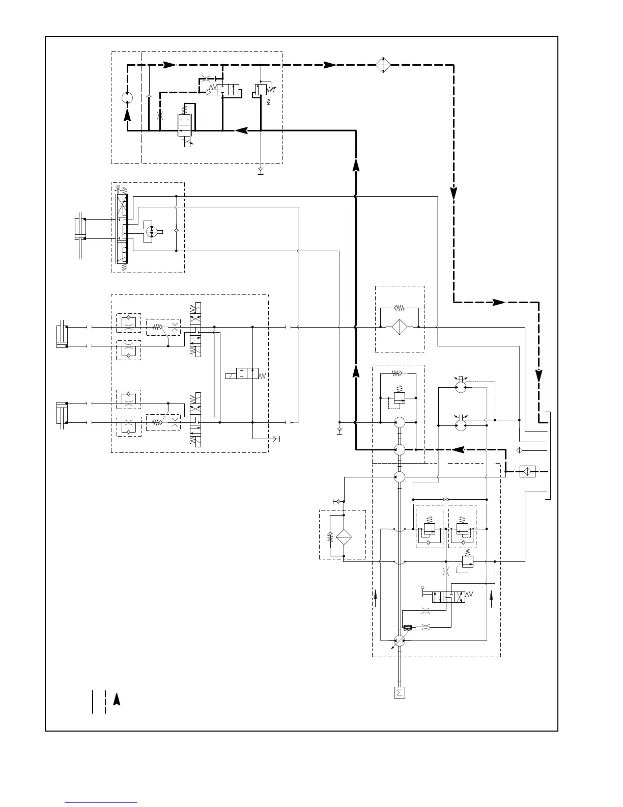
Multi Pro 5800Hydraulic System Page 5 − 14
A
B
A
B
RH LH
B
A
(UPPER)
(LOWER)
Figure 10
(Spray Pump Switch in ON Position)
Working Pressure
Return or Suction
Flow
Spray Pump Drive Circuit
C2 C1 C3 C4
S2 S3
S1
GP
A B
BOOM LIFT MANIFOLD
PC1 PC2
LIFT CYLINDER LIFT CYLINDER
EXTEND TO LOWER
BORE: 1.75”
STROKE: 10.06”
ROD: 1.13”
EXTEND TO LOWER
BORE: 1.75”
STROKE: 10.06”
ROD: 1.13”
CD EF
OR2
.036”
OR1
.036”
OR3
.036”
OR4
.036”
STEERING CYLINDER
BORE: 1.50”
STROKE: 8.50”
ROD: 0.63”
LR
STEERING
UNIT
PET
SPRAYER PUMP DRIVE MOTOR
4.3 CID
6.0 CID
PV
CV
OR
.040”
80 PSI
LC
2000 PSI
G
PT
PUMP CONTROL
MANIFOLD
50 PSI
RETURN
FILTER
4.3 GPM
12.1 GPM
1015 PSI
.95 CID
.34 CID
.42 CID
4.5 GPM
50 PSI
CHARGE
FILTER
2.48 CID 2.48 CID
11.96:1 11.96:1
4000 PSI
4000 PSI
250 PSI
.032”
TOW
VALVE
.032” .032”
2.48 CID
31.6 GPM
ENGINE RATED SPEED
3100 RPM
BREATHER
SUCTION
STRAINER
OIL
COOLER
TRACTION (PISTON) PUMP
GEAR PUMP
WHEEL
MOTORS
INTERNAL
CHARGE PUMP
P1 P2
FORWARD
REVERSE

Table of Contents

Other manuals for Toro Multi Pro 5800

Related product manuals