EasyManua.ls Logo

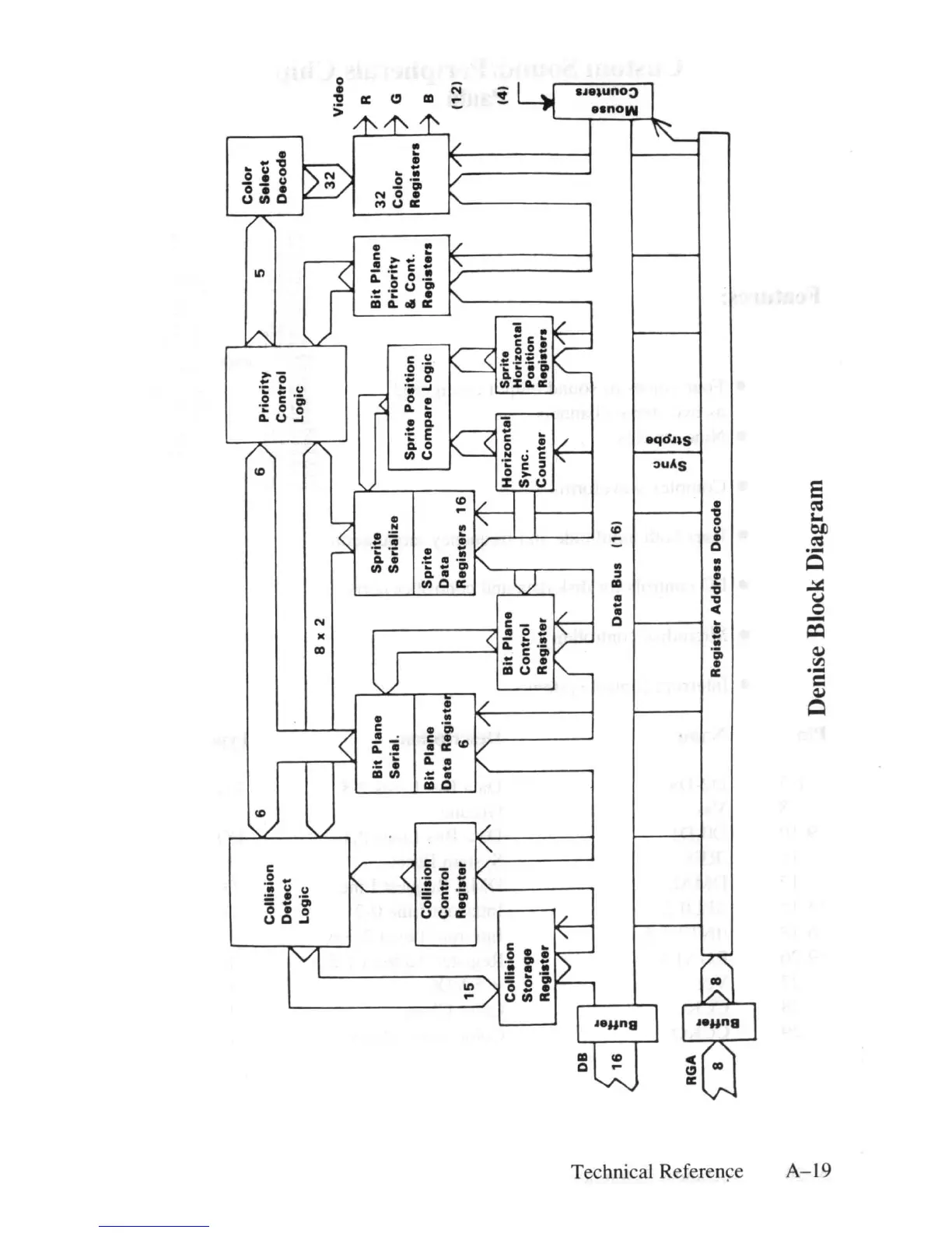
Commodore Amiga 500 - Denise Block Diagram

Commodore Amiga 500
300 pages
Print Icon
To Next Page IconTo Next Page
To Next Page IconTo Next Page
To Previous Page IconTo Previous Page
To Previous Page IconTo Previous Page
Loading...
~
('")
::r
:l
o·
a
;;0
~
~
@
:l
. ('")
~
1>
\0
,
I
~
15
'V
I
Colllalon
Storaga
Raglatar
~J'1/1
a
:t
"
III
'--
-
~
~
:t
"
III
"---
Colliaion
,6
Oatact
Logic
IA
Colliaion
Control
Ragiatar
1'''
I'
~
1
Color
6)
Priority
l>
5
"
Salact
Control
Oacoda
Logic
8x2
/
~
~
,
A
l/'-J
o
Bit
Plana
r---
Sprita
vJ
Bit
Plane
32
~
Sarial
.
'---
Serialize
Priority
Color
-7
Sprita
Poaition
&
Cont.
Bit
Plana
Sprite
Compara
Logic
Ragiata
..
Ragiatera
~
Data
Regiate
Data
6
Regiate..
16
0
"'/
:'\
/
......
I'
"-
I'
f'
/\
/"-
/I
l/\.
Bit
Plana
F
Horizontall!
Sprite
Control
Sync
.
~::::Ic:,~t.1
Ragiatar
Counte,
Regiet.,.
('I
l'
([L
r-'"-
'--
l!
a
...
Data
Bus
(16)
" c
o "
:I~
..
.!
F~
c
2-
~
1/1
Vi
Ragiatar
Addr
...
Dacod.
Denise Block Diagram

Table of Contents

Related product manuals