EasyManua.ls Logo

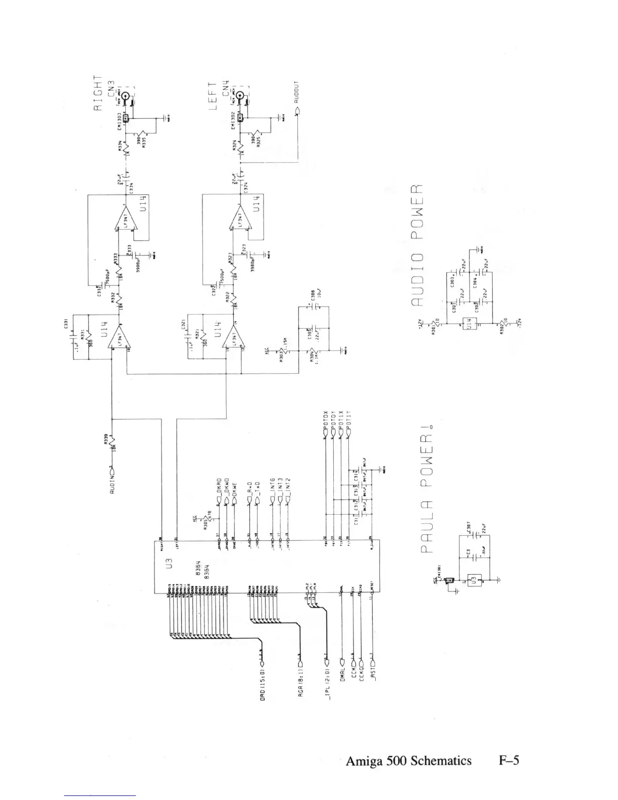
Commodore Amiga 500 - Paula Power; Audio Power

Commodore Amiga 500
300 pages
Print Icon
To Next Page IconTo Next Page
To Next Page IconTo Next Page
To Previous Page IconTo Previous Page
To Previous Page IconTo Previous Page
Loading...
l-
I
tTl
~:::t
::;,
~
~:
i
tL
1"'
;
~
~
l
~i
:1
z
o
~
tt
~rr ~rr
-
----
co--
0000
IT:
w
3:
o
D-
- 0
Amiga
SOO
Schematic
s F- S

Table of Contents

Related product manuals