EasyManua.ls Logo

Commodore Amiga 500 - Page 270

Commodore Amiga 500
300 pages
Print Icon
To Next Page IconTo Next Page
To Next Page IconTo Next Page
To Previous Page IconTo Previous Page
To Previous Page IconTo Previous Page
Loading...
--<I
-
,-----
- -
'----
-
'-------
-
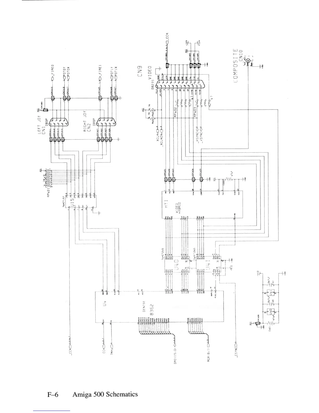
F-6
Amiga 500 Schematics

Table of Contents

Related product manuals