EasyManua.ls Logo

Honeywell HC900 - Figure 101 Setpoint Scheduler Function Block Suite

Honeywell HC900
456 pages
To Next Page IconTo Next Page
To Next Page IconTo Next Page
To Previous Page IconTo Previous Page
To Previous Page IconTo Previous Page
Loading...
Function Blocks
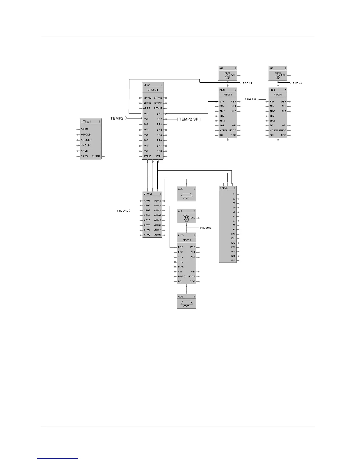
SPS Setpoint Scheduler Function Block
Revision 11 HC900 Hybrid Control Designer Function Block Reference Guide 359
2/07
Setpoint scheduler example
S
T
A
S
E
G
PGM
Figure 101 Setpoint scheduler function block suite

Table of Contents

Other manuals for Honeywell HC900

Related product manuals