EasyManua.ls Logo

Mazda 2002 6 - Page 662

Mazda 2002 6
1248 pages
Print Icon
To Next Page IconTo Next Page
To Next Page IconTo Next Page
To Previous Page IconTo Previous Page
To Previous Page IconTo Previous Page
Loading...
P66
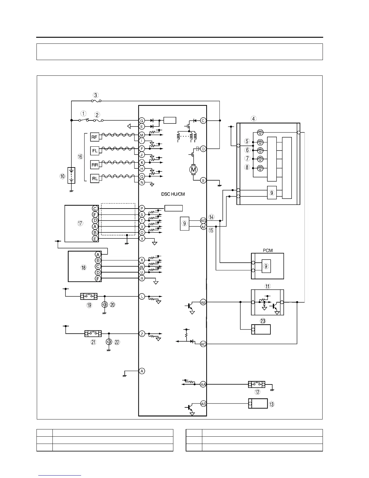
ON-BOARD DIAGNOSTIC (DYNAMIC STABILITY CONTROL)
DSC SYSTEM WIRING DIAGRAM
A6E697367650W01
.
ON-BOARD DIAGNOSTIC (DYNAMIC STABILITY CONTROL)
A6E6920T005
1 IG switch
2SUS 15A fuse
3 ABS 60 A fuse
4 Meter
5 ABS warning light
6 Brake system warning light

Table of Contents

Other manuals for Mazda 2002 6

Related product manuals