EasyManua.ls Logo

Mazda 2002 6 - Troubleshooting (Abs;Tcs;Dynamic Stability Control; System Wiring Diagram

Mazda 2002 6
1248 pages
Print Icon
To Next Page IconTo Next Page
To Next Page IconTo Next Page
To Previous Page IconTo Previous Page
To Previous Page IconTo Previous Page
Loading...
TROUBLESHOOTING (ABS/TCS/DYNAMIC STABILITY CONTROL)
P97
P
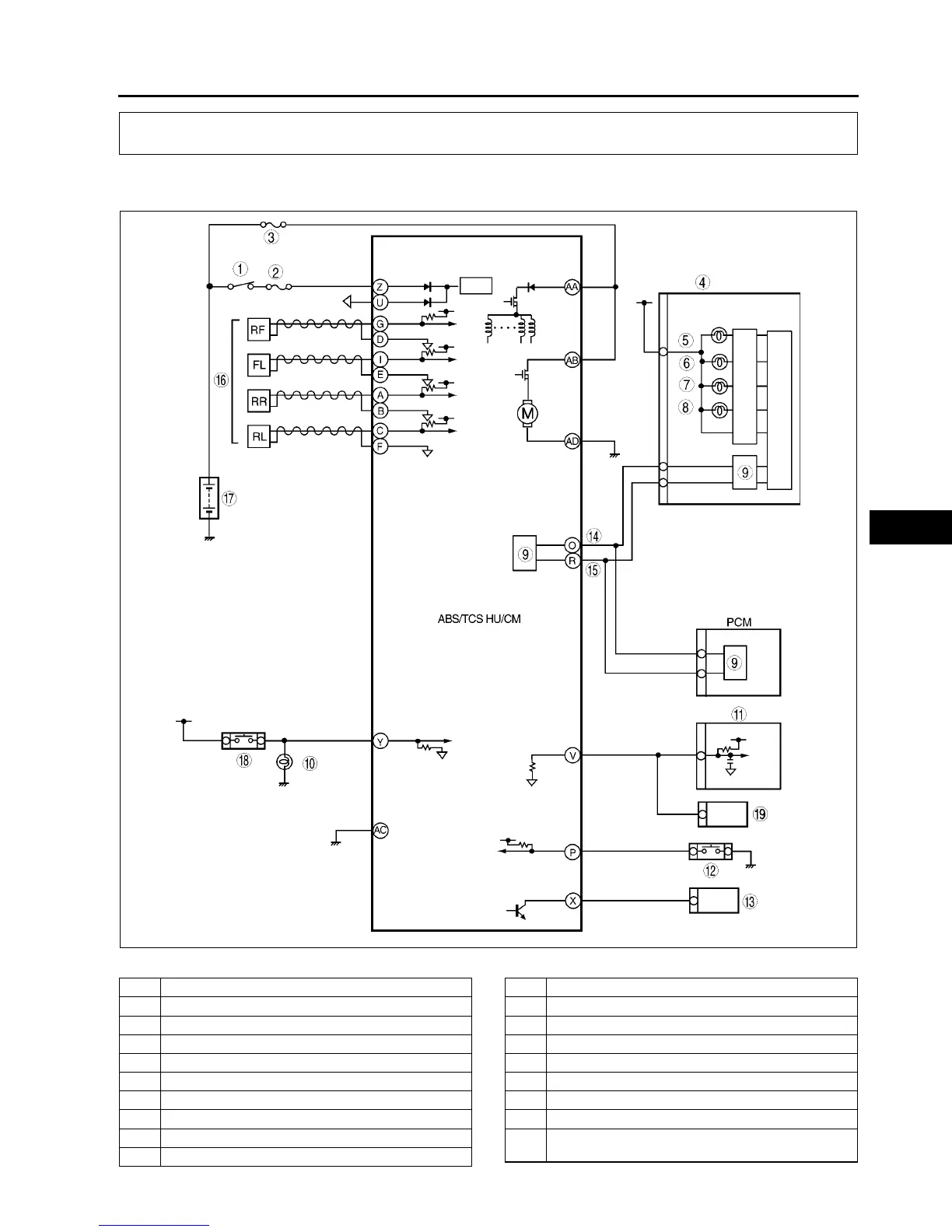
SYSTEM WIRING DIAGRAM
A6E699067650W01
ABS (ABS/TCS)
.
TROUBLESHOOTING (ABS/TCS/DYNAMIC STABILITY CONTROL)
A6E6921T001
1 IG switch
2SUS 15 A fuse
3 ABS 60 A fuse
4 Meter
5 ABS warning light
6 Brake system warning light
7 TCS OFF light
8 TCS indicator light
9CAN driver
10 Brake light
11 Cruise actuator
12 TCS OFF switch
13 DLC-2
14 CAN-H
15 CAN-L
16 ABS Wheel-speed sensor
17 Battery
18 Brake switch
19 Audio unit, Wiper and washer switch, Car-navigation
unit, Auto leveling control unit

Table of Contents