EasyManua.ls Logo

Philips Sopho 2000 IPS - Hotel System Outline

Philips Sopho 2000 IPS
880 pages
Print Icon
To Next Page IconTo Next Page
To Next Page IconTo Next Page
To Previous Page IconTo Previous Page
To Previous Page IconTo Previous Page
Loading...
– 756 – NWA-008845-001 Rev.5.0
32ch2001.fm
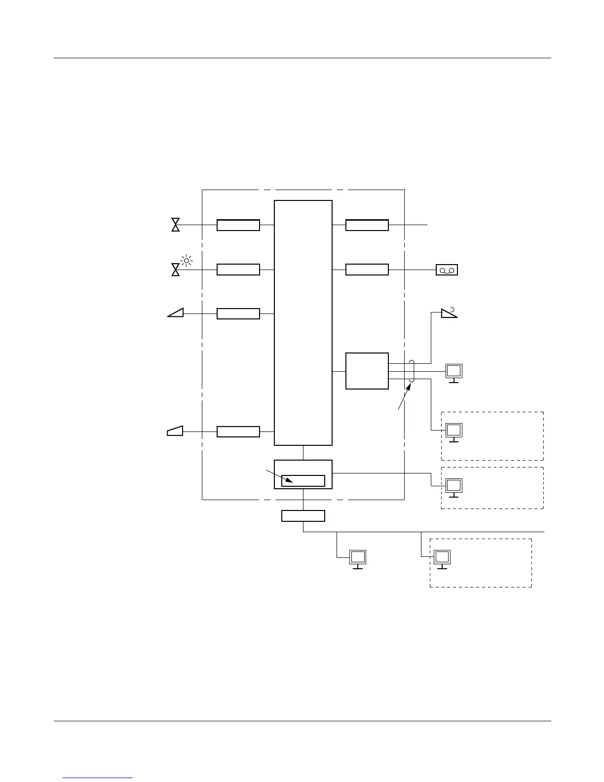
HOTEL SYSTEM OUTLINE
The figure below shows the system outline of hotel system.
System Outline of Hotel System
NOTE 1: PMS, SMDR 1400 IMS Format and Hotel Printer are not available for AP00-B/AP00-D card
with MRCA program.
NOTE 2: SMDR 1400 IMS Format and Hotel Printer are not available for Built-in SMDR/Built-in PMS.
COT
COT
LC
LC
PBX
C.O. LINE
EXTERNAL TONE SOURCE
FOR AUTOMATIC WAKE UP
ADMINISTRATIVE
TELEPHONE
DLC
MP
HOTEL/MOTEL FRONT
DESK TERMINAL
DLC
PMS
HOTEL
PRINTER
GUEST ROOM TELEPHONE
WITH MESSAGE
WAITING LAMP
HOTEL CONSOLE
TDSW
(D
term
)
(DESKCON)
NOTE 1
NOTE 1, 2
BUILT-IN
SMDR/PMS
SWITCHING HUB
LAN
PMS
SMDR
(Refer to the “SMDR”
in Chapter 1.)
NOTE 2
AP00 : SMDR/Hotel Application Processor Card
COT : C.O. Trunk Card
DLC : Digital Line Circuit Card (for D
term
/DESKCON)
LC : Line Circuit Card (for Single Line Telephone)
MP : Main Processor Card
PMS : Property Management System
SMDR: Station Message Detail Recording
SMDR
(Refer to the “SMDR”
in Chapter 1.)
AP00
SMDR
(Refer to the “SMDR”
in Chapter 1.)
NOTE 1
RS-232C
RS-232C
JULY/01/2006
HOTEL SYSTEM OUTLINE

Table of Contents