EasyManua.ls Logo

R&S FSW Series - Page 411

R&S FSW Series
1450 pages
To Next Page IconTo Next Page
To Next Page IconTo Next Page
To Previous Page IconTo Previous Page
To Previous Page IconTo Previous Page
Loading...
Common Measurement Settings
R&S
®
FSW
411User Manual 1173.9411.02 ─ 43
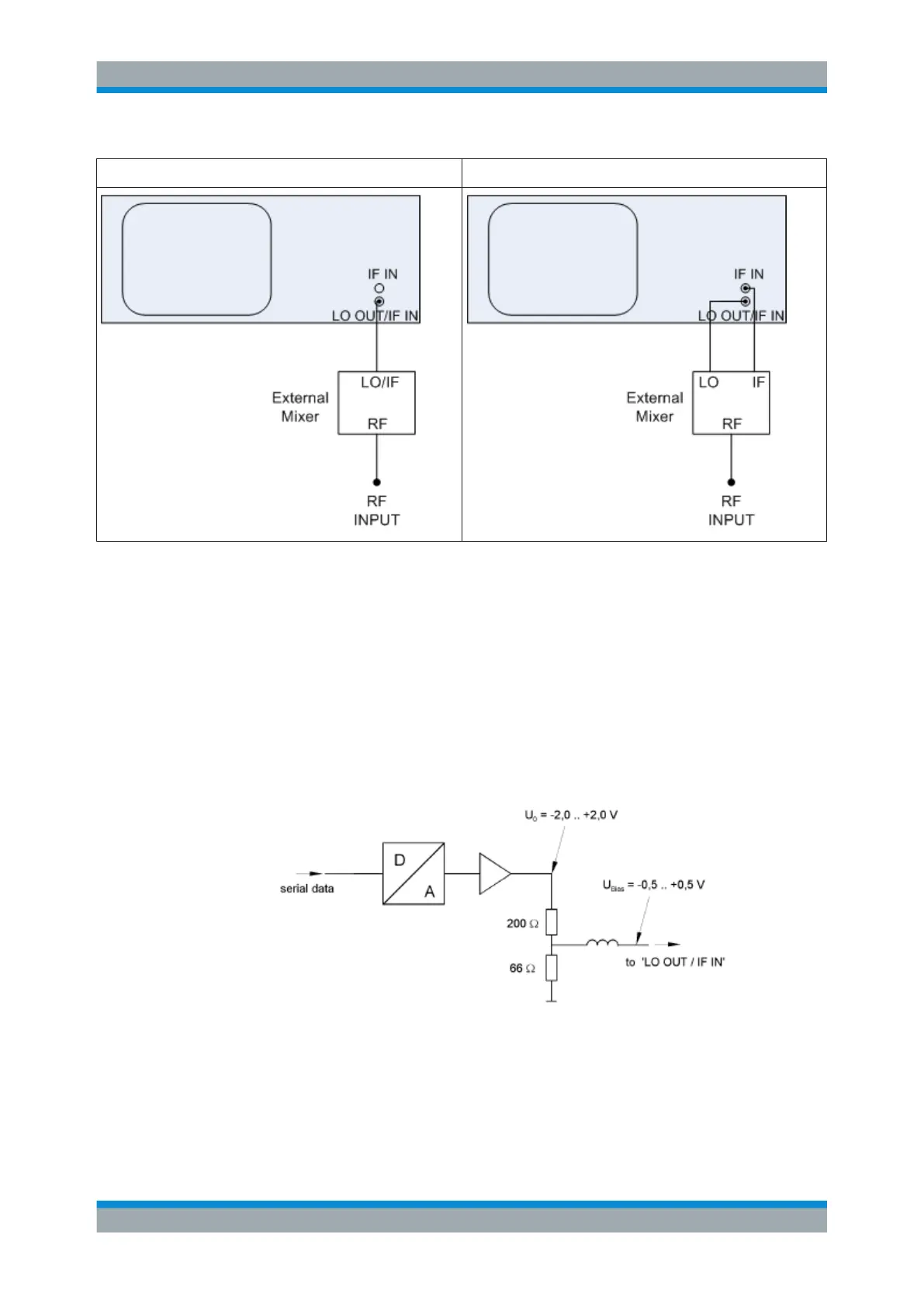
Two-port mixer Three-port mixer
In both cases, the nominal LO level is 15.5 dBm.
Bias Current
Single-diode mixers generally require a DC voltage which is applied via the LO line.
This DC voltage is to be tuned to the minimum conversion loss versus frequency. Such
a DC voltage can be set via the "BIAS" function using the D/A converter of the
R&S FSW. The value to be entered is not the voltage but the short-circuit current. The
current is defined in the "Bias Settings" or set to the value of the conversion loss table
See "Bias Value" on page 425 and "Bias" on page 428.
Figure 8-15: Bias circuit of the R&S
FSW
The voltage U
0
at the output of the operational amplifier can be set in the range –2.0 to
+2.0 V. An open-circuit voltage U
bias
of –0.5 to +0.5 V is obtained accordingly at the
output of the voltage divider. A short-circuit current of I
short
= U
0
/ 200 = 10 mA to
Data Input and Output

Table of Contents

Related product manuals