EasyManua.ls Logo

Fujitsu PRIMERGY RX2540 M7

Fujitsu PRIMERGY RX2540 M7
646 pages
To Next Page IconTo Next Page
To Next Page IconTo Next Page
To Previous Page IconTo Previous Page
To Previous Page IconTo Previous Page
Loading...
18.2 Connectors and indicators
18.2.1
Connectors and indicators on the system board
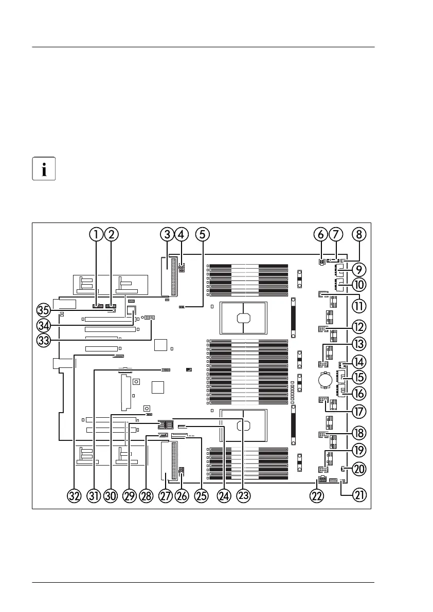
18.2.1.1 System board D3983
There is one system board:
D3983-B100 with PFR feature
Onboard connectors
PCH
Indicate
CSS
TPM
Slot 2 (CPU 1) Riser slot 1
Battery
SATA
0-3
Slot 1 (CPU 1)
Slot 8 (CPU 2) Riser slot 2
Rear Serial
PWR
ODD
SATA
ODD
USB 3.0
PSU 1
PSU 2
JP3
1
JP2 JP1
1
2
MICRO
SD
HDD LED3
Slot 7 (CPU 2)
Slot 6 (CPU 2)
Slot 5 (CPU 2)
OCP 3.0 Slot
CPU 2 DIMM-1M
CPU 2
SMB3
PWR 5
PWR 1
FAN6_SYS
Clear RTC
iRMC
S6
FRONT VGA
REAR VGA
PWR 4
PWR 3
PWR 2
FAN5_SYS
FAN4_SYS
FAN3_SYS
FAN2_SYS
FAN1_SYS
MCIO 8
PWR 6
MCIO 7
MCIO 6
MCIO 5
MCIO 4
MCIO 3
MCIO 2
MCIO 1
CPU 1
PWR 7
CPU 2 DIMM-2M
CPU 2 DIMM-1L
CPU 2 DIMM-2L
CPU 2 DIMM-1K
CPU 2 DIMM-2K
CPU 2 DIMM-1
CPU 2 DIMM-2
CPU 1 DIMM-1D
CPU 1 DIMM-2D
CPU 1 DIMM-1C
CPU 1 DIMM-2C
CPU 1 DIMM-1B
CPU 1 DIMM-2B
CPU 1 DIMM-1A
CPU 1 DIMM-2A
CPU 2 DIMM-2N
CPU 2 DIMM-1N
CPU 2 DIMM-2P
CPU 2 DIMM-1P
CPU 2 DIMM-2Q
CPU 2 DIMM-1Q
CPU 2 DIMM-2R
CPU 2 DIMM-1R
CPU 1 DIMM-2E
CPU 1 DIMM-1E
CPU 1 DIMM-2F
CPU 1 DIMM-1F
CPU 1 DIMM-2G
CPU 1 DIMM-1G
CPU 1 DIMM-2H
CPU 1 DIMM-1H
PWR 8
NC-SI
HDD LED1
SMB 1
PWR M2
* Shared LAN (top)
Management LAN
(bottom)
VROC
HDD LED2
INTERPOSER 1
Thermal
Sensor
J
J
SMB 2
2x USB 3.0
and VGA
2x LAN *
FRONT PANEL
SATA
4-7
19
Slot riser card
Riser card
GPGPU Riser
Slot 9
Slot riser card
Riser card
Slot 9
Slot 10
or
Slot riser card
Riser card
GPGPU Riser
Slot 3
Slot riser card
Riser card
Slot 3
Slot 4
or
PSU1
Figure 357: Internal connectors of system board D3983
Appendix A
532 Upgrade and Maintenance Manual RX2540 M7

Table of Contents

Related product manuals