EasyManua.ls Logo

Mazda 2002 6 - Page 653

Mazda 2002 6
1248 pages
Print Icon
To Next Page IconTo Next Page
To Next Page IconTo Next Page
To Previous Page IconTo Previous Page
To Previous Page IconTo Previous Page
Loading...
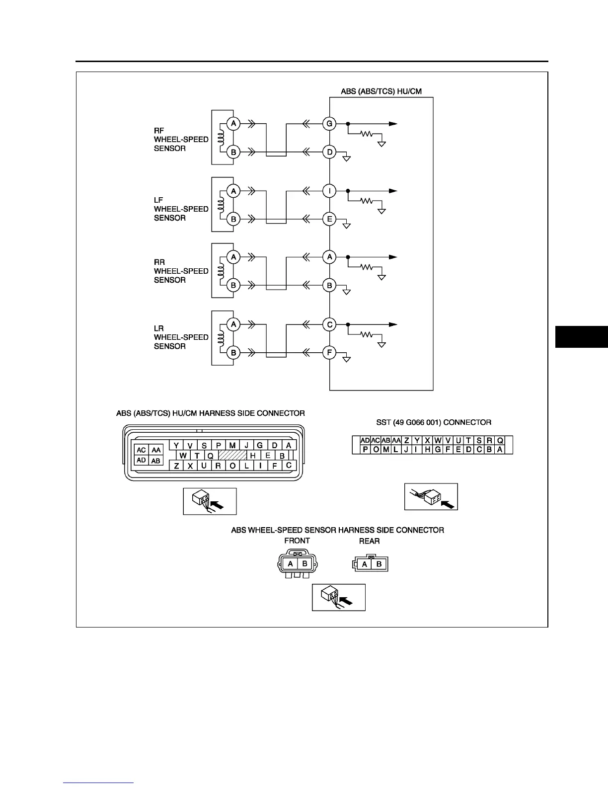
ON-BOARD DIAGNOSTIC (ABS/TCS)
P57
P

Table of Contents