EasyManua.ls Logo

Siemens SIMATIC S7-1200

Siemens SIMATIC S7-1200
1614 pages
To Next Page IconTo Next Page
To Next Page IconTo Next Page
To Previous Page IconTo Previous Page
To Previous Page IconTo Previous Page
Loading...
Technical specifications
A.8 CPU 1217C
S7-1200 Programmable controller
System Manual, V4.2, 09/2016, A5E02486680-AK
1441
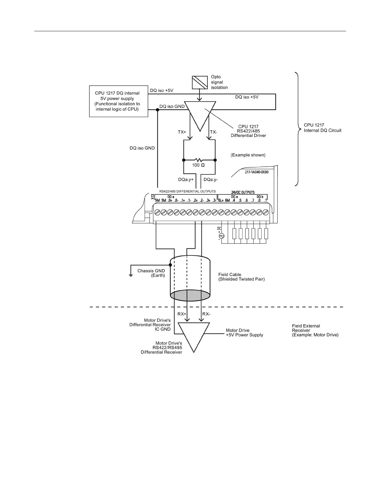
A.8.7
CPU 1217C Differential Output (DQ) detail and application example
Note
Built-in DQ Termination resistor limits the continuous common mode voltage range. See
electrical specifications for detail.

Table of Contents

Other manuals for Siemens SIMATIC S7-1200

Related product manuals