EasyManua.ls Logo

Siemens SIMATIC S7-1200

Siemens SIMATIC S7-1200
1614 pages
To Next Page IconTo Next Page
To Next Page IconTo Next Page
To Previous Page IconTo Previous Page
To Previous Page IconTo Previous Page
Loading...
Web server
12.4 Accessing the Web pages from a mobile device
S7-1200 Programmable controller
System Manual, V4.2, 09/2016, A5E02486680-AK
1009
12.4
Accessing the Web pages from a mobile device
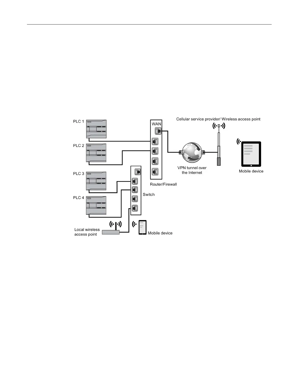
To access an S7-1200 from a mobile device, you must connect your PLC to a network that
connects to the Internet or to a local wireless access point. Use a secure Virtual Private
Network (VPN) to connect a mobile device to the S7-1200 PLC Web server. You can use
port forwarding in the wireless router to map the IP address of the PLC to an address by
which a mobile device can access it from the Internet. To configure port forwarding, follow
the instructions for the software configuration of your router. You can connect as many PLCs
and switching devices as your router supports.
Without port forwarding, you can connect to a PLC, but only locally within range of the
wireless signal.
In this example, a mobile device that is within range of the local wireless access point can
connect to PLC 3 and PLC 4 by their IP addresses. From the Internet outside the local
wireless range, a mobile device can connect to PLC 1 and PLC 2 using the port forwarded
address for each PLC.
To access the standard Web pages, you must have access to a cellular service or wireless
access point. To access a PLC from the Internet, enter the port forwarded address in the
Web browser of your mobile device to access the PLC, for example http://ww.xx.yy.zz:pppp
or https:/ww.xx.yy.zz:pppp, where ww.xx.yy.zz is the address of the router and pppp is the
port assignment for a specific PLC.

Table of Contents

Other manuals for Siemens SIMATIC S7-1200

Related product manuals