EasyManua.ls Logo

GE Mark VIeS - Tmr; TRLYS1 B Circuits, TMR

GE Mark VIeS
486 pages
Print Icon
To Next Page IconTo Next Page
To Next Page IconTo Next Page
To Previous Page IconTo Previous Page
To Previous Page IconTo Previous Page
Loading...
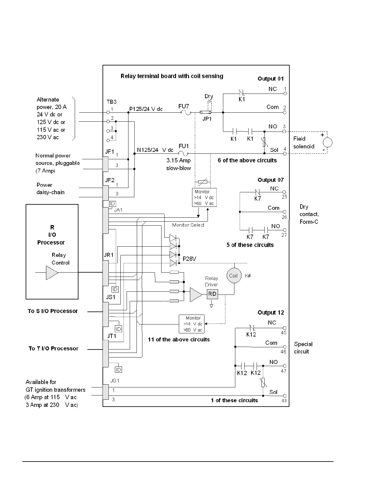
6.5.3.3 TMR
For TMR applications, relay control signals are fanned into TRLYS1B from the three I/O processors R, S, and T through
plugs JR1, JS1, and JT1. These signals are voted and the result controls the corresponding relay driver. Power for the relay
coils comes from all three I/O packs and is diode-shared.
TRLYS1B Circuits, TMR
148 GEH-6855_Vol_II GEH-6855_Vol_II Mark VIeS Functional Safety Systems Volume II
Public Information

Table of Contents

Related product manuals