EasyManua.ls Logo

GE Mark VIeS - Normally Open; Normally Closed

GE Mark VIeS
486 pages
Print Icon
To Next Page IconTo Next Page
To Next Page IconTo Next Page
To Previous Page IconTo Previous Page
To Previous Page IconTo Previous Page
Loading...
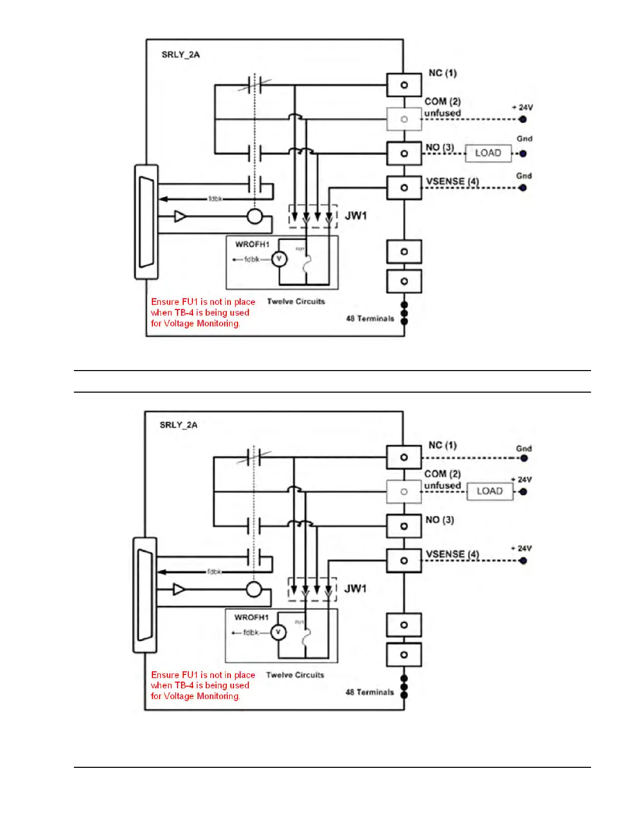
Normally Open
Note These connections are application specific and can be connected in either the normally open or normally closed way.
Normally Closed
YDOA Discrete Output Modules GEH-6855_Vol_II System Guide 167
Public Information

Table of Contents

Related product manuals