EasyManua.ls Logo

GE Mark VIeS - Third-Party Switch Replacement; Holes to Support Panel Mounting

GE Mark VIeS
486 pages
Print Icon
To Next Page IconTo Next Page
To Next Page IconTo Next Page
To Previous Page IconTo Previous Page
To Previous Page IconTo Previous Page
Loading...
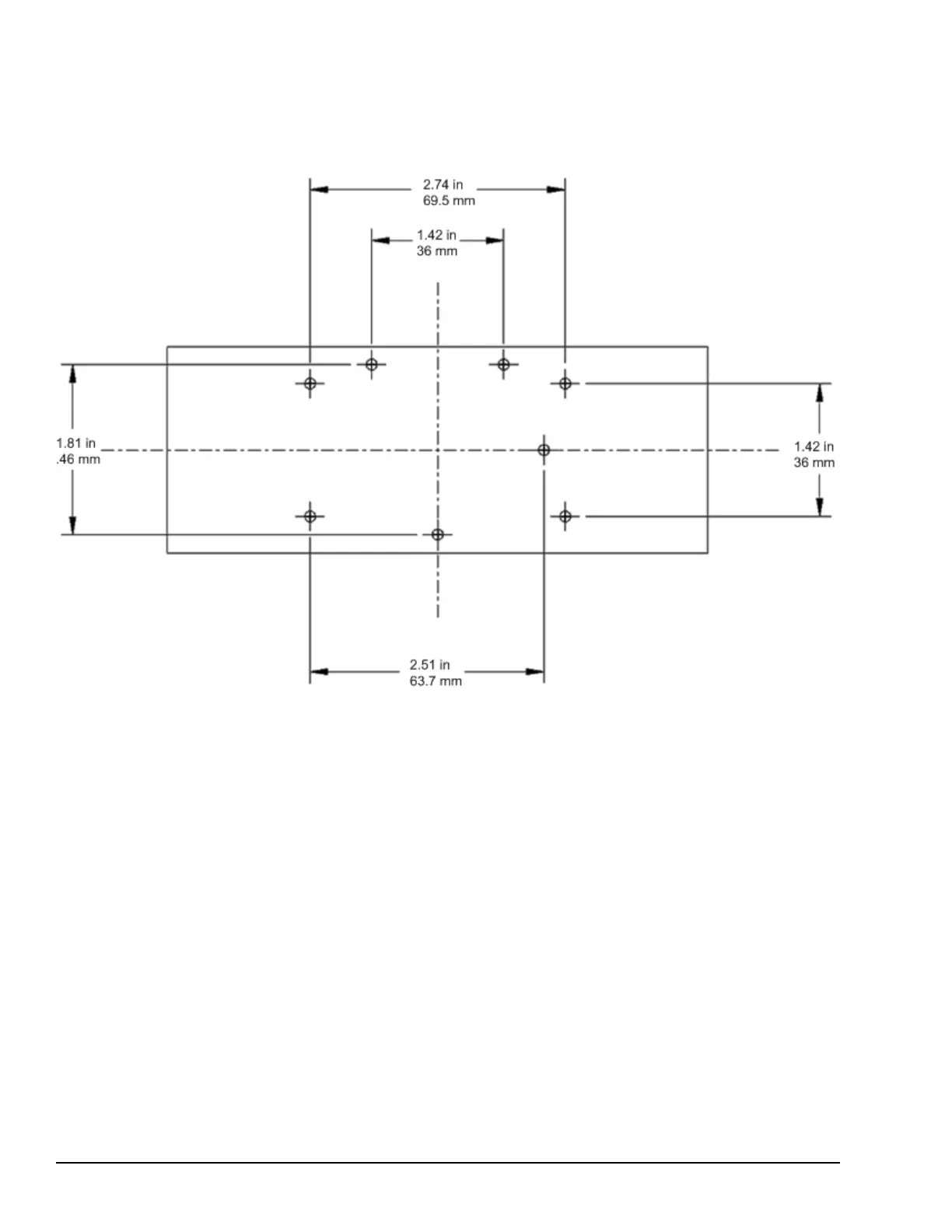
3.6 Third-party Switch Replacement
When the ESWA or ESWB is used to replace a different unmanaged switch, it uses the existing mounting brackets, which can
either be panel or DIN-rail mounts. There are seven screw holes used on the existing switch to support panel mounting. The
following drawing displays the pattern and dimensions for these holes.
Holes to Support Panel Mounting
90 GEH-6855_Vol_II GEH-6855_Vol_II Mark VIeS Functional Safety Systems Volume II
Public Information

Table of Contents

Related product manuals