EasyManua.ls Logo

GE Mark VIeS - Srly + Wrog; SRLYS2 A + WROG Circuitry

GE Mark VIeS
486 pages
Print Icon
To Next Page IconTo Next Page
To Next Page IconTo Next Page
To Previous Page IconTo Previous Page
To Previous Page IconTo Previous Page
Loading...
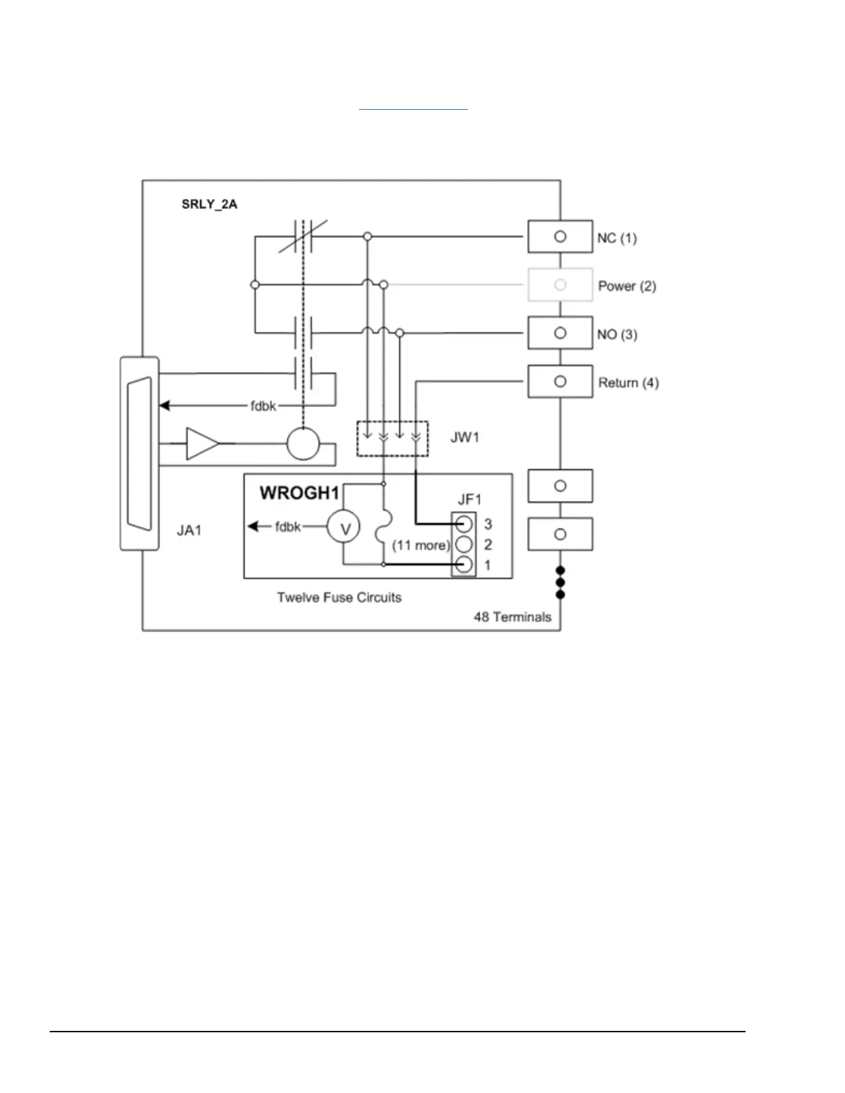
6.8.2.5 SRLY + WROG
Option board IS400WROGH1A adds fused power distribution for all twelve relays. Isolated voltage sensing that is not
polarity sensitive is provided for each fuse. Refer to the SRLY Compatibility table for compatible applications.
IS400WROGH1A has default fuse values of 3.15 A. Electrically, SRLYS2A plus IS400WROGH1A together have circuitry
displayed in the following figure. Fuses FU1 through FU12 are associated with relay circuits 1 through 12 respectively.
Connector JW2 and its connections to JA1 are omitted for clarity.
SRLYS2A + WROG Circuitry
168 GEH-6855_Vol_II GEH-6855_Vol_II Mark VIeS Functional Safety Systems Volume II
Public Information

Table of Contents

Related product manuals