EasyManua.ls Logo

GE Mark VIeS - JPDS Operation; JPDS Simplified Circuit Diagram

GE Mark VIeS
486 pages
Print Icon
To Next Page IconTo Next Page
To Next Page IconTo Next Page
To Previous Page IconTo Previous Page
To Previous Page IconTo Previous Page
Loading...
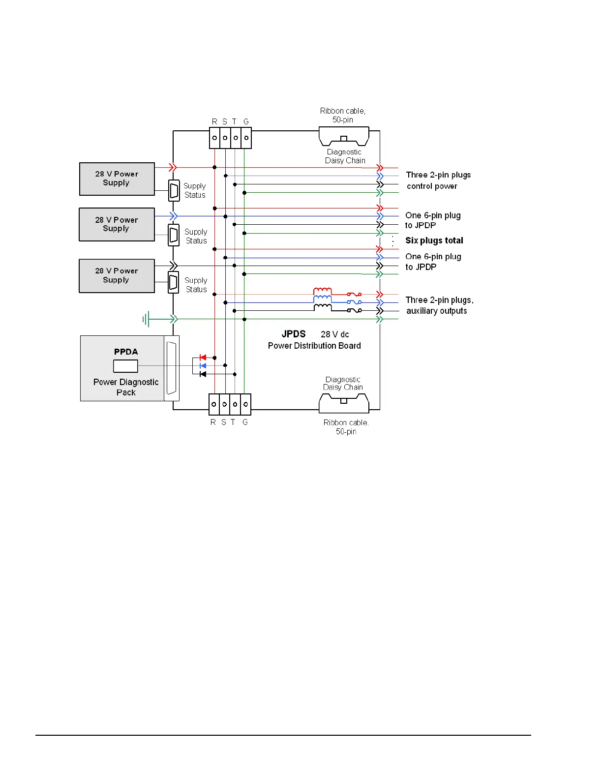
10.8.5 JPDS Operation
The JPDS is the power distribution board that receives 28 V dc power from the selected supplies and distributes it to the JPDP
boards (for power to the I/O packs) and to the control racks. The normal 28 V power input to JPDS is through JR, JS, JT
connectors.
JPDS Simplified Circuit Diagram
392 GEH-6855_Vol_II GEH-6855_Vol_II Mark VIeS Functional Safety Systems Volume II
Public Information

Table of Contents

Related product manuals