EasyManua.ls Logo

GE Mark VIeS - TRLYS1 D Circuits (TMR)

GE Mark VIeS
486 pages
Print Icon
To Next Page IconTo Next Page
To Next Page IconTo Next Page
To Previous Page IconTo Previous Page
To Previous Page IconTo Previous Page
Loading...
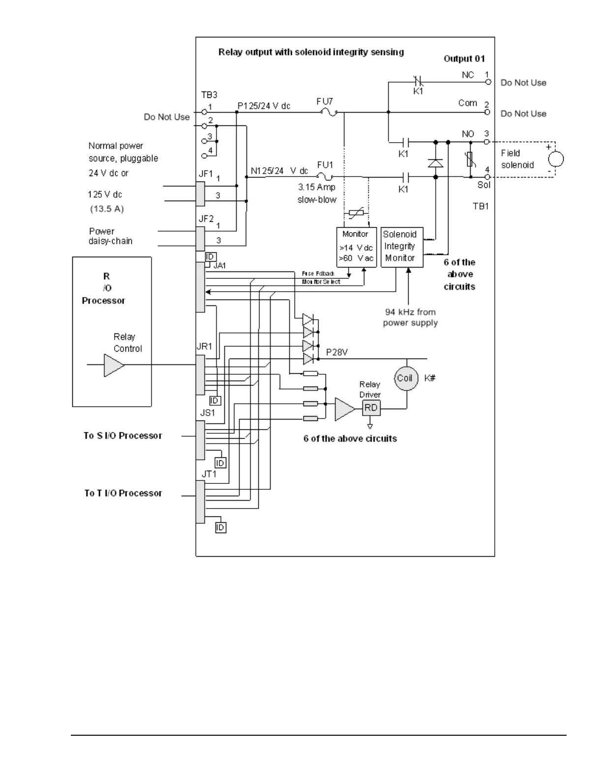
TRLYS1D Circuits (TMR)
YDOA Discrete Output Modules GEH-6855_Vol_II System Guide 153
Public Information

Table of Contents

Related product manuals