EasyManua.ls Logo

GE Mark VIeS - Physical Arrangement; Application Notes; JPDE Simplified Electrical Diagram

GE Mark VIeS
486 pages
Print Icon
To Next Page IconTo Next Page
To Next Page IconTo Next Page
To Previous Page IconTo Previous Page
To Previous Page IconTo Previous Page
Loading...
10.5.3.2 Physical Arrangement
The location of JPDE is not critical in a panel. Connector P1 transmits feedback signals to a board hosting a PPDA I/O pack.
Connector P2 receives feedback from other power distribution boards and passes the signals out of P1 to the PPDA. If a cable
connection from JPDE to a board containing PPDA is planned, consideration should be given to the feedback cable routing
between JPDE P1 and the P2 connector on the board receiving the feedback cable.
10.5.3.3 Application Notes
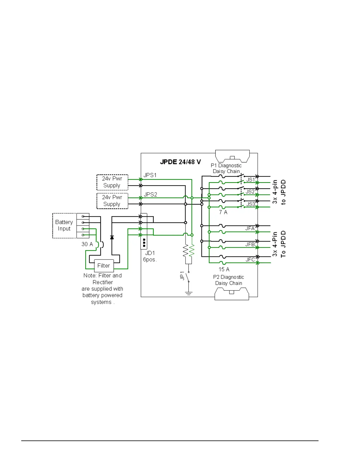
JPDE can be used with one or two power supplies to create a dc power system for terminal boards and other system loads.
When this is done, float the dc power system and use the grounding resistors on JPDE to center the bus on earth. This permits
detection of ground faults through the PPDA bus voltage feedback. Jumper JP1 is required to be in place, connecting the
centering resistors to earth. When JPDE is used to distribute battery power, it is supplied with a dc circuit breaker and a 30 A
input filter.
10.5.4 Operation
JPDE Simplified Electrical Diagram
368 GEH-6855_Vol_II GEH-6855_Vol_II Mark VIeS Functional Safety Systems Volume II
Public Information

Table of Contents

Related product manuals