EasyManua.ls Logo

GE Mark VIeS - Power Supply Redundant Operation; ABC OK Signal Output Operation; Redundancy OK Signal Output Operation; Redundant Parallel Connection

GE Mark VIeS
486 pages
Print Icon
To Next Page IconTo Next Page
To Next Page IconTo Next Page
To Previous Page IconTo Previous Page
To Previous Page IconTo Previous Page
Loading...
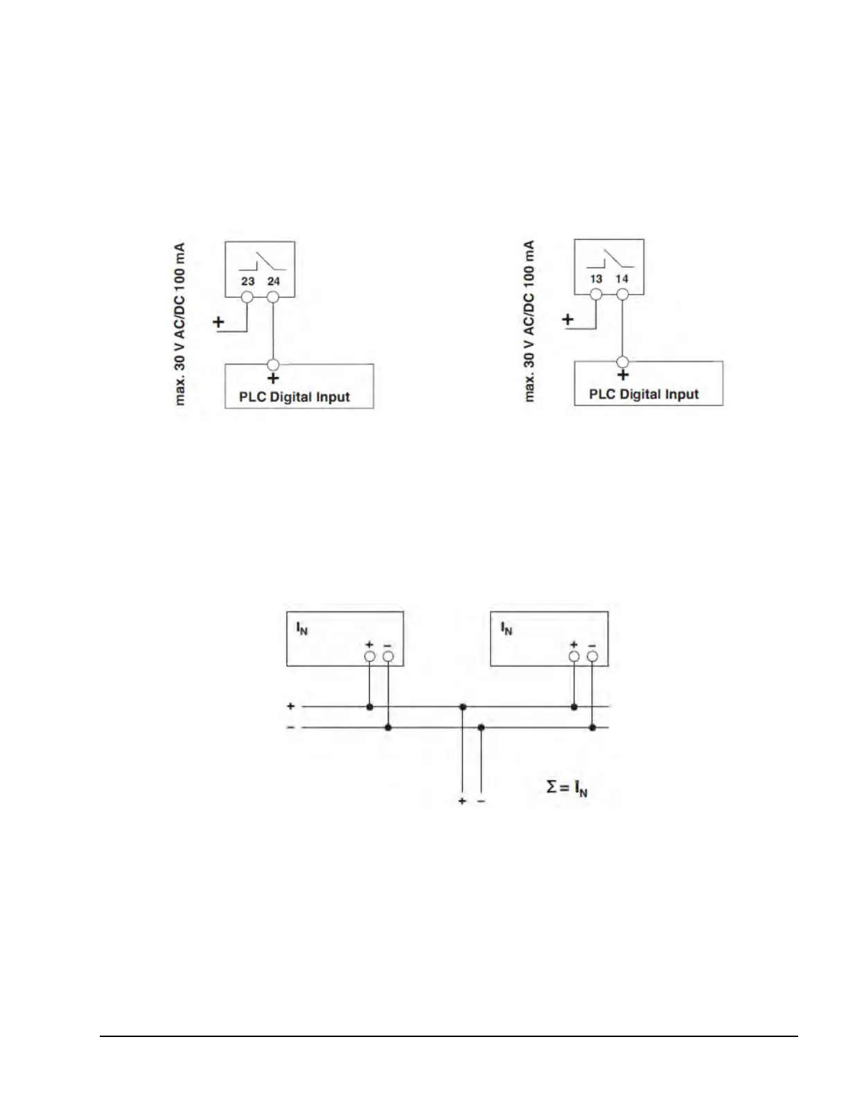
When the Redundancy OK floating signal contact opens, it indicates the loss of redundancy. Loss of redundancy may be a
result of the following issues:
The decoupled component is defective.
At least one input voltage is too low or does not exist.
If the load current is higher than the set threshold value of I
N, a single power supply unit can no longer sustain the load
(indicated after 4 sec).
When the ACB OK floating signal contact opens, it indicates that the load current is not distributed symmetrically on both
parallel connected power supply units.
ABC OK Signal Output Operation
Redundancy OK Signal Output Operation
10.10.3.7 Power Supply Redundant Operation
Redundant power supplies are recommended for use in systems with especially high requirements for operational safety. With
redundant power supplies, if a fault occurs in the Primary circuit of the first power supply, the second device automatically
takes over supplying power, without interruption, and vice versa. For this purpose, the power supply units to be connected in
parallel are dimensioned so that the total current requirement of all consumers is completely covered by one power supply
unit. However, 100% redundancy makes external decoupling diodes (GE Part Number 342A3648PD40A48) necessary.
Redundant Parallel Connection
PDM Power Distribution Modules GEH-6855_Vol_II System Guide 417
Public Information

Table of Contents

Related product manuals