EasyManua.ls Logo

NewTek TriCaster Mini - Section 22.14 Tricaster 860 Cs

NewTek TriCaster Mini
522 pages
Print Icon
To Next Page IconTo Next Page
To Next Page IconTo Next Page
To Previous Page IconTo Previous Page
To Previous Page IconTo Previous Page
Loading...
Page | 493
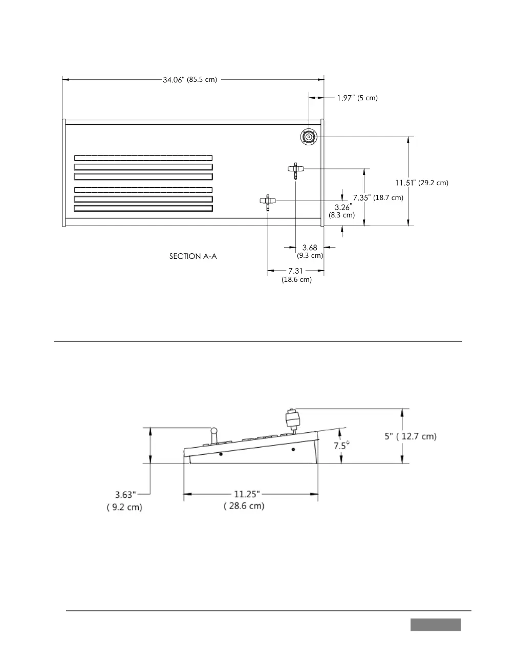
FIGURE 413
SECTION 22.14 TRICASTER 860 CS
Normally, the 860 CS is used in a table-top configuration. Otherwise, a rabbet on all
four sides permits you to embed the base in a cutout prepared for the purpose.
FIGURE 414
At the sides, a ½” (1.2 cm) ledge is formed for this purpose. The overlap provided
front and back is narrower, about 5/16” (.31 cm).

Table of Contents

Other manuals for NewTek TriCaster Mini

Related product manuals