EasyManua.ls Logo

NewTek TriCaster Mini - Section 22.15 Tricaster 460 Cs

NewTek TriCaster Mini
522 pages
Print Icon
To Next Page IconTo Next Page
To Next Page IconTo Next Page
To Previous Page IconTo Previous Page
To Previous Page IconTo Previous Page
Loading...
Page | 494
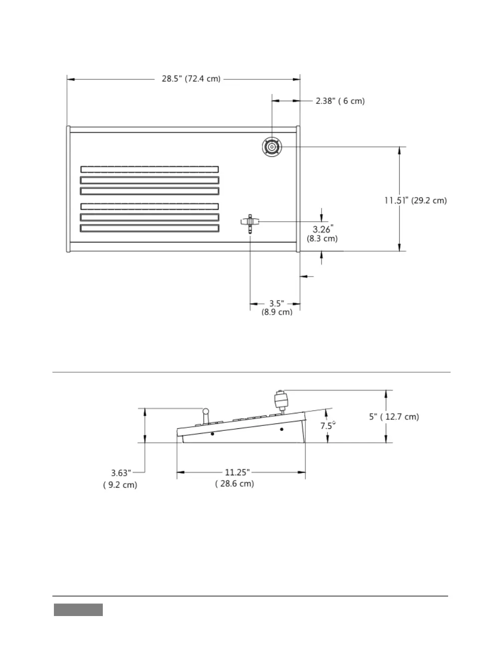
FIGURE 415
SECTION 22.15 TRICASTER 460 CS
FIGURE 416
Normally, the 460 CS is used in a table-top configuration. Otherwise, a rabbet on all
four sides permits you to embed the base in a cutout prepared for the purpose.

Table of Contents

Other manuals for NewTek TriCaster Mini

Related product manuals